Teil 1: Webasto Standheizung WO2352 Bj. 1978

staheiz.htm: w463
Letzte Änderung 23.02.26/31.01.26/27.12.25/30.08.23/25.06.21/15.07.20/Beginn 11.03.2009 (C) Dr. Juliane Hehl
Bilder, soweit nicht extra gekennzeichnet, von Webasto bzw. Eigenanfertigung
Impressum gem. DSGVO

zu Teil 2: Restauration der WO2352 (2014) - Webseite Juliane - Stichwörterverzeichnis Webseite-Geländewagen

Die Webseiteninhalte bieten nur die Hilfe zur Selbsthilfe und sind keine Anleitung zur Reparatur, nur eine
Literatursammlung. Emails werden nicht beantwortet, es gibt keine Zugangsdaten! Das gilt nicht für mir bekannte
Clubmitglieder. Arbeiten am Fahrzeug bzw. an einer Standheizung erfordern fachliche Kompetenz und die Ehrlichkeit,
die eigenen Fähigkeiten richtig einzuschätzen oder besser die Finger davon zu lassen bzw. in die Werkstatt zu gehen.
Alle Angaben nach bestem Wissen, aber ohne Gewähr und Haftung! Etliche Hinweise können unter Umständen bei
fehlerhafter Ausführung zu erheblichen Folgeschäden führen.
Es wird daher ausdrücklich jede Haftung dafür abgelehnt. Der Ausführende trägt das alleinige und uneingeschränkte Risiko.
Zitat: Webasto-Homepage:
Vergleichstests des TÜV Bayern beweisen den Umweltnutzen einer Webasto Standheizung: Ein vorgewärmter Motor produziert in den ersten
Minuten nach dem Start bis zu zwei Drittel weniger schädliche Abgase, läuft ruhiger und verbraucht deutlich weniger Kraftstoff.
Heizung und vorgewärmter Motor verbrauchen zusammen nicht mehr als ein kalter Motor. Und dass die extrem motorbelastende Kaltlaufphase
entfällt, rechnet sich doppelt : Laut Wetteramt hat das Jahr rund 140 Tage mit Temperaturen unter 5 Grad C. Nur zwei Kaltstarts pro Tag
verursachen dabei einen Verschleiß, der einer Fahrstrecke von fast 20.000 Kilometern pro Jahr entspricht."


Meine Unterlagenveröffentlichung wurde von Fa. Webasto genehmigt! (email v. 21.12.2004, Peter Brand, Marketing, Kommunikation):

"..Wir bestätigen Ihnen, dass die Verwendung von Abbildungen oder Zeichnungen aus unseren Gerätebegleitenden Unterlagen auf Ihrer
Webseite nicht unter die Beschränkungen des Urheberechtes fallen. Wir freuen uns, dass durch solche Aktivitäten auch unsere alten
Geräte noch einmal zu Ehren kommen..."


siehe auch Kühlwasservorwärmgerät (Tauchsieder) beim 240GD und beim G55AMG.
Übersicht:
1. Wasser-Standheizung WO 2352:
1.1 Restauration 2014:
1.2 Luftheizung Webasto LO2305:
1.3 Webasto Thermotop C im G55AMG (2/2006):
2. Bildergalerie Wasser-Standheizung WO2352:
2.1 Versorgungseinheit:
2.1.1 Verdrängerschlauch:
2.1.2 Brennstoffpumpe:
2.2 Glühkerze:
2.3 Zündfunkengeber:
2.3.1 Zündfunkentest mit PeakTech 1653:
2.4 Hochspannungsstecker:
2.5 Ringheizkörper:
2.6 Brennereinsatz:
2.7 Umwälzpumpe:
2.7.1 Ersatzpumpe Mercedes NTK-Pumpe:
3. Steuergerät:
3.0.1 Steuergerätefehler:
3.0.2 Stecker A:
3.0.3 Stecker B:
3.0.4 Stecker C:
3.0.5 Stecker D:
3.1 Heizung: Funktionsbeschreibung /Schaltpläne :
3.2 Einschalten und Vorglühen:
3.3 Vorglühen und Start der Verbrennung:
3.4 Heizbetrieb:
3.5 Regelbetrieb:
4. Schaltuhr:
5. Thermostat-Test:
5.1 Glühthermostat:
5.1.1 Sperrscheibe Glühthermostat:
5.2 Gebläsethermostat:
5.3 Regelthermostat:
5.4 Brennwächterthermostat:
5.5 Temperatursicherung:
6. Auspuff:
7. Rapsölbetrieb:
8. Fehlersuche - Beispiele:
9. Webasto WO 2352 im L407D (DB-Kastenwagen):
10. Dieselfilter:
11. Ansaugdämpfer:
12. weitere Links:
Im Herbst 2014 sind bei Mercedes fast keine Teile mehr lieferbar.
1. Wasser-Standheizung WO 2352: 4,7 KW (4000 kcal/h), Nr. 06/23868: top

Die Heizung habe ich 1985 eingebaut und bei Webasto in D-82131 Stockdorf den Einbau damals zwecks Garantie abnehmen lassen.
Die Heizung steht senkrecht, der Ansaugstutzen des 240GD-Luftfilters wurde etwas gekürzt und abgewinkelt.
WO2352
Die Heizung wurde als Sonderausstattung 59048/01 Code H12, OM616/OM617 auch von DC verbaut. Fast alle Ersatzteile für die Heizung sind
aber nicht mehr bei Mercedes erhältlich (bei den Teilen mit "DC" gekennzeichnet). Im EPC-Net findet man die Teile z.B. beim Baumuster
460.310 in der Gruppe FH-Aufbau, Gruppe 88: Anbauteile, am besten alle Filter ausschalten (mit F7), Untergruppe SA 59048 Zusatzheizung.
WO2352 WO2352
Es gab für den Mercedes-Transporter ein Handbuch "Transporter - Nachtrag 10 - Erweiterung - Juni 1983", in dem für die
Heizung WO2352 auch die Funktion und Prüfung beschrieben ist.

Ein in die Verbindungskabel vom Steuergerät zur Heizung eingeschleiftes Prüfgerät Nr. 331449 für die LO1540/1555 und W2352O
testete bei eingebauter Heizung alle Funktionen, wobei mit Kippschalter ein ausgefallener Thermostatschalter ersetzt werden konnte.
Lämpchen zeigten den Zustand an.
WO2352
1.1 Restauration der WO2352 im Herbst 2014:

Im Herbst 2014 funktionierte die Heizung WO2352 im 240GD nicht mehr. Da eine Generalüberholung notwendig erschien, wurde die Standheizung
durch eine gleiche ersetzt, die ich fast neuwertig vor Jahren von einem Boschdienst günstig erworben hatte. Nun kann die alte Heizung
restauriert werden, dazu gibt es eine eigene Dokumentation.

Anläßlich dieses Heizungstausches wurden auf dieser Webseite auch die Funktionsbeschreibungen ergänzt.
1.2 Luftheizung Webasto LO2305: top

Die Webasto LO 2305 ist eine Warmluft-Standheizung und in einigen Teilen der WO2352 sehr ähnlich. Sie ist z.B. im
Mercedes-Benz-Bus MB 208D-KB, Bremer T1 Kasten, Bj. 1989 eingebaut. Th. Meier hat die Reparatur seiner Luftheizung
LO2305 hier beschrieben.
WO2352 WO2352 WO2352
1.3 Webasto Thermotop C: top

Beim neueren 463 ab 2000 wird ab Werk die CAN-Bus gesteuerte Thermotop C eingebaut.
Einzelheiten dazu sind im Tipp Thermotop C.
Thermotop C Thermotop C Thermotop C Thermotop C
. Thermotop C mit CAN-Bus-Steuerung . Auspuff - gibt es auch in V2A
Siehe auch: 9. Reparatur Webasto WO2353 im L407D:
2. Bildergalerie: Wasser-Standheizung WO2352, Baujahr 1978, 240GD: top

siehe auch die Restauration Heizrohr (15).
WO2352
WO2352 WO2352 WO2352 WO2352 WO2352 WO2352
Standheizung WO2352 Glühkopf Heizung neu Anschlusskasten Glühkerze u. Glühthermostat Brennwächter-, Gebläse-
u. Reglerthermostat
WO2352 WO2352 WO2352 WO2352 WO2352 WO2352
Versorgungseinheit Gebläsemotor und Magnetventil Gebläsemotor und Brennstoff-Pumpe Gebläsemotor, Pumpe offen Gebläsemotor allein Brennstoffpumpe
WO2352 Sicherung Übertemperatur Glühthermostat Steuergerät Thermostate
Pumpe offen Temperatursicherung
171 Grad
Glühthermostat Steuergerät Gebläse- u. Regelthermostat
WO2352 WO2352 WO2352 Teile Teilenummern Teilenummern
Standheizung WO2352 Betriebsanleitung 1978 Betriebsanleitung 1978 Teileübersicht WO2352 Teilenummern WO2352 Teileübersicht VE
WO2352 WO2352 WO2352 WO2352 WO2352 WO2352
Einbauanleitung Übersicht Tech. Daten mech. Einbau Einbaudaten Einbaudaten
WO2352 WO2352 Brennereinsatz Brennkammer Brennstoffdüse
Schaltplan PDF1 Schaltplan PDF2 Brennereinsatz Brennkammer Brennstoffdüse
2.1 Versorgungseinheit: top

VE1010, Nr. 01/23432 mit Boschmotor: 0130007052. Dieser 12V-Motor war nicht mehr lieferbar. Ich fand eine Motorenwickelei
(z.B. Fa. Sterr, Moosburg bei München), wo der Motor neu aufgebaut wurde:

Der Kollektor war bei meiner Heizung nach fast 20 Jahren Betrieb fast ganz abgeschliffen. Der Motor erhielt nun einen neuen Kollektor,
neue Kohlen, wurde neu gewickelt, vergossen und gewuchtet.

Zur Versorgungseinheit führt ein dreiadriges Kabel: Masse (braun), 12V Motor (schwarz, Strom bei 12 V ca. 5 A, ca. 2,4 Ohm) und
12V Magnetventil (blau, etwa 0,37A, ca. 32 Ohm). Magnetventil: A0008301084.

Da der Verbrauch bei etwa 0,48 Kg/h Diesel liegt, werden in der Minute etwa 8 Gramm Diesel von der Pumpe gefördert, also sehr wenig.
Die Fördermenge läßt sich durch Verdrehen des Pumpendeckels einstellen (Zahlenskala).

Die Schallisolierung in der Versorgungseinheit hatte die Mercedes-Nr. A0008350081.
2.1.1 Verdrängerschlauch: top

In die 6 mm Schlauchleitung zum Heizgerät ist ein um etwa 2 cm kürzerer Verdrängerschlauch (4 mm Außendurchmesser x 1 mm Innendurchmesser
zur Querschnittverkleinerung eingeschoben. Fehlt er oder ist zu kurz, bilden sich Luftblasen und es gibt unregelmäßige Verbrennungsgeräusche.
2.1.2 Brennstoffpumpe: top

Der Deckel der Brennstoffpumpe wird von zwei Klammern gehalten. Bevor man die abhebelt, sollt man sich gegenüber der 0-Markierung am
Deckelaußenrand einen Strich ins Alu kratzen. Die Einstellung ab Werk ist mit einer eingravierten Zahl, z.B. 5 angegeben.
Diese Markierung Nr. 5 zeigt dann auf die Gehäusemetallkante.

Beim Abheben des Deckels bleibt meistens die Kolbensteuerung im Deckel. Eine Feder drückt den gebogenen, elastischen Steg an die
Innenseite des Deckelrandes. Beim Zusammenbau die Kolbensteuerung auf die Pumpenkolben setzen (1.Bild) und den Deckel vorsichtig aufschieben.
WO2352 WO2352 WO2352 WO2352
2.2 Glühkerze (2.3): top

Bosch: 0986257014, 11 Volt, Beru: GZE18.

Die Glühkerze (2.3) besitzt einen Hochspannungsanschluß und zwei Anschluss-Steckfahnen für die Glühwendel (Masse und 12V ).
Diese wird über Stecker C/3 mit 12 V versorgt (etwa 10A) und wird nach 120 sek. mit dem Ringheizkörper abgeschaltet.
Glühkerze WO2352 Glühkerze
2.3 Zündfunkengeber (2.2) 12V, 1507 , Nr. 346 675 : top

Die Spannung des Zündfunkengebers (DC: A0008351255 - nicht mehr lieferbar) beträgt unbelastet etwa 16000 Volt.
Ein Transistor-Multivibrator (zwei BC237) erzeugt Impulse, die über eine Leistungsendstufe TIPL774 den Hochspannungstrafo ansteuern.

rotes Kabel = Plus, braunes Kabel Masse, Stecker D/4, etwa 0,57A Stromaufnahme, die Zündung läßt sich extern mit angeschlossener Zündkerze
(Hochspannung u. Masse) testen. Vorsicht Hochspannung, Lebensgefahr! am grünen Kabel. Nie bei Betrieb berühren!

Das grüne Hochspannungskabel darf keine defekte Stelle (Quetschung, Schürfung) haben, da sonst dort ein Lichtbogen nach Masse entsteht.
Ein Durchschlag ist an einem kleinen braunen Loch in der Kabelhülle zu erkennen. Diese Stellen mit Plastikspray oder geeignetem
Silikon-Isolierband schützen (PVC-Band wegen der Wärme ungeeignet!)
Zündfunkengeber Zündfunkengeber Zündung
2.3.1 Zündfunkentest mit Zangenamperemeter PeakTech 1635: top

Eine einfacher Test der Zündspannung ist mit einem Zangenamperemeter PeakTech 1635 mit AC-Hochspannungsanzeige mit einer LED
(Feldstärkeanzeige) möglich, z.B. von Fa. Reichelt (2014: 92,55 Euro inkl. MwSt.). Damit teste ich z.B. beim 280GE/G55AMG die Zündung, siehe hier.
Zündung Amperemeter Amperemeter
2.4 Hochspannungsstecker: top

Der Hochspannungsstecker A0008350524 ist, wie bei Zündkerzensteckern üblich, auf das grüne Hochspannungskabel nur aufgeschraubt!
Hochspannungsstecker
2.5 Ringheizkörper (2.9) 12V: top

Der originale alte Ringheizkörper hatte bei 12 V eine Stromaufnahme von etwa 5,25 A (63 Watt). Der neue Ringheizkörper
(alt: A0008320050) (12V, 130Watt): 11,6 A , also doppelte Heizleistung und nur halbe Vorwärmzeit. Der Ringheizkörper (2.9) erwärmt die Brennkammer.

Mit dem Einschalter (17) der Heizung schließt Relais K1 im Steuergerät und versorgt über Stecker B/2 und Stecker C/3 den
Ringheizkörper (2.9) und die Glühwendel in der Glühzündkerze (2.3) mit 12 V. Der Ringheizkörper wird mit der Glühwendel
nach 120 sek abgeschaltet, Anschluss C/3 (gelb/dick) ist dann stromlos.
Heizkörper Heizkörper Brennereinsatz
Die Heizwicklung wird mit einer Schlauchklemme festgehalten. Diese sollte man durch eine V2A-Schlauchklemme ersetzen.
Zwischen Schlauchklemme und Heizkörper ist ein Streifen Asbest zur Isolierung. Eventuell kann man ein Teflonband verwenden.
Die Metallumhüllung des Ringheizkörpers ist aber von den Anschlüssen elektrisch isoliert.
Isolierung
2.6 Brennereinsatz: top

Der Brennereinsatz A0008350069 und die Brennstoffdüse A0008350133 sind nur gesteckt und werden von einem Drahtbügel A0008360032
festgehalten. Man kann die Brennstoffdüse vorsichtig heraushebeln (alkoholischer Rostlöser ist hilfreich).
Zum Ausbau des Brennereinsatzes muß die Glühkerze heraus geschraubt sein. Abgedichtet wird der Brennereinsatz mit einem
Dichtring 20,3 x 2,4 mm A0008355398 und die Brennstoffdüse mit einem kleineren grünen Silikon-Dichtring A6019970745.
Brennereinsatz Dichtring klein
2.7 Umwälzpumpe (2.1): top

Die kleine Umwälzpumpe (2.1) auf der Unterseite der Heizung ist nicht mehr erhältlich, aber es kann jede 12V-Wasserpumpe mit 16 mm
Schlauchanschluss verwendet werden. Ich habe 2004 eine Pumpe von Bosch CPG 12V Nr. 0130067015 eingebaut, die 2014 nun ziemlicht laut geworden ist.
2.7.1 Ersatzpumpe: top

Die NTK-Kühlmittelpumpe vom G55AMG wäre auch verwendbar. Es gab 2014 beim MBGTC Mercedes-Benz Gebrauchteile-Center
fast neue Umwälzpumpen A0005000386 (Umwälzpumpe Ladeluftkühlung ) beim Kompressor SL55AMG für etwa 110 Euro, die verwendbar sind.
Neu kostet die Pumpe bei Mercedes über 250 Euro.
Pumpe Ladeluft-Kühler
3. Steuergerät Nr. SG 1555/12V: top

Steuergerät Steuergerät Platine Platine
Platine Platine Platine
Platine Platine Platine Platine Platine
3.0.1 Steuergerätefehler: top

Die drei großen Elkos 220/16V µF sind nach über 30 Jahren defekt, wie ein Bild von einer Steuergeräteplatine
zeigt (2.Bild, Danke St. Lindemann).
Platine Platine
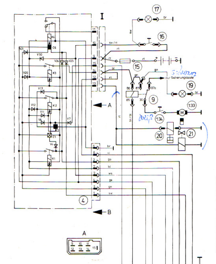
3.0.2 Stecker (A) (siebenpolig): top

Kontakt (A)9: Dauerplus von Sicherung, versorgt intern Kontakt (B)4
Kontakt (A)10: geschaltetes Plus: vom Einschalter, intern mit Kontakt (B)3 verbunden
Kontakt (A)12: mit Kontakt (A)14 extern verbunden, mit Kontakt (B)8 intern:
schaltet Plus an Gebläse bzw. Gebläserelais
Kontakt (A)13 und 11: nicht verwendet
Kontakt (A)15: bekommt nach dem Einschalten Plus vom Glühthermostat (2.5)
Stecker A Stecker Stecker Stecker
3.0.3 Stecker (B) (achtpolig): top

Kontakt (B)6: (braun) Masse
Kontakt (B)5: Glühthermostat (2.5)
Kontakt (B)8: (violett),vom Steuergerät geschaltetes Dauerplus für Umwälzpumpe (2.1) , ebenso für Gebläserelais. Dies bekommt Masse vom Gebläsethermostaten (2.7).
Kontakt (B)2: (gelb) schaltet Ringheizkörper (2.9) und Glühzündkerze (2.3) für ca. 2 Min. ein
Kontakt (B)7: (blau) schaltet Magnetventil (3.3) in VE ein
Kontakt (B)3: (weiß) bekommt Plus von Kontakt (A)10 (Einschalter)
Kontakt (B)1: (schwarz) schaltet Plus zum Gebläsemotor (3.1) und Zündfunkengeber (2.2)
Kontakt (B)4: (gelb) Dauerplus von Kontakt (A)9 intern
Stecker B Stecker Stecker WO2352
3.0.4 Stecker (C) (achtpolig) Heizgerät : top

Kontakt C(1): schwarz - zu D(1): +12V Versorgungseinheit: Brennluftgebläsemotor (3.1), Zündfunkengeber (2.3) an Masse
Kontakt (C)2: gelb (dünn): DauerPlus 12V, Brennwächterthermostat (2.4), grün zu C(8)
Kontakt (C)3: gelb (dick): Ringheizkörper (2.9), Glühwendel (Glühzündkerze 2.3) an Masse
Kontakt (C)4: violett: Plus vom Steuergerät zur Kühlmittel-Pumpe (2.1) an Masse
Kontakt (C)5: rot: schwarz zum Glühthermostat (2.5), gelb zu Pin 6
Kontakt C(6): weiß: weiß zum Rundstecker vom Regelthermostat (2.6), grün zu Pin 7, Plus vom Steuergerät zum Glühthermostat (2.5) u. Regelthermostat (2.6)
Kontakt C(7): blau: blau zum Stecker D(3): Magnetventil (3.3) an Masse, Plus vom Regelthermostat zum Steuergerät u. Magnetventil
Kontakt C(8): grün: zum Brennwächterthermostat, gelb zu b(2) vom Brennwächterthermostat zum Steuergerät
Anschluss C WO2352 WO2352
3.0.5 Stecker (D) (vierpolig): Heizgerät: top

D(1): (von C1, Brücke zu D(4), + 12V zum Motor Versorgungseinheit, schwarz,
D(2): Masse (Zündfunkengeber) und von Temperatursicherung: Masse für Versorgungseinheit, braun
D(3): (von C7, Regelthermostat) +12V zum Magnetventil, blau
D(4): (Brücke zu D(1), rot), +12V zum Zündfunkengeber,
Sicherheitsabschaltung für Zündfunkengeber bei abgesteckter Versorgungseinheit

Stecker D:

D(1): schwarz, von Pin C1: 12V an Brennluftgebläsemotor (3.1), Zündfunkengeber (2.3), Brücke zu D(4)
D(2): Masse über Temperatursicherung (2.8)
D(3): blau, zum, Magnetventil (3.3) an Temperatursicherung (2.8)
D(4): Brücke rot zu D(1), +12V zum Zündfunkengeber
Anschluss D WO2352
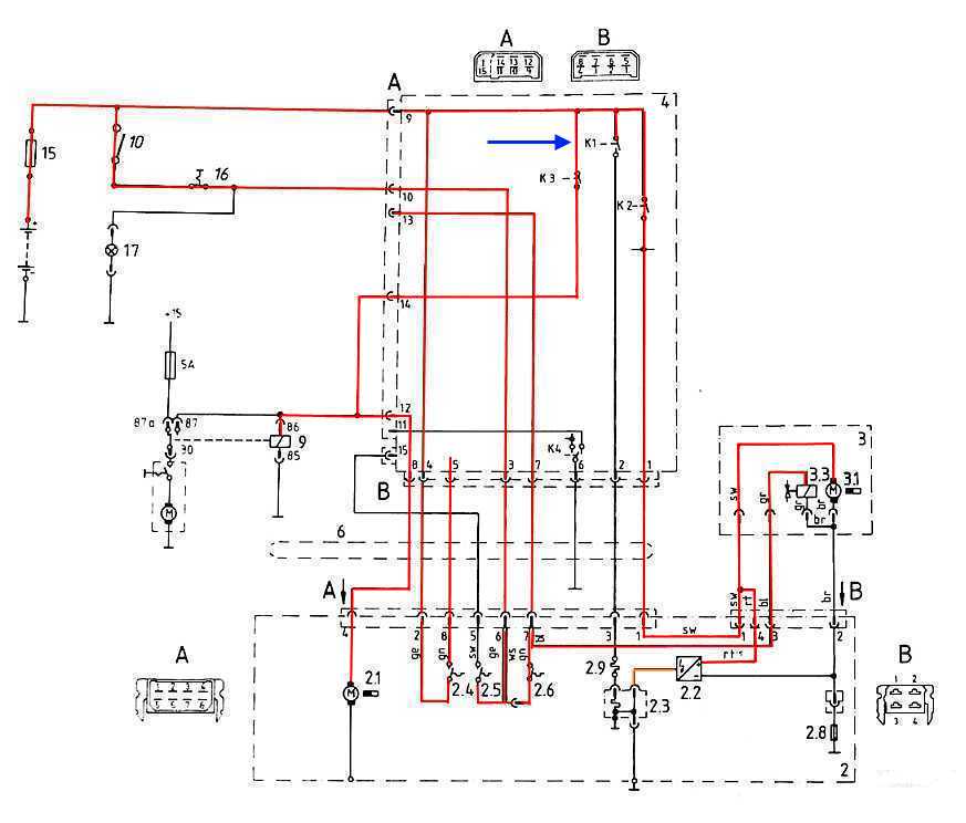
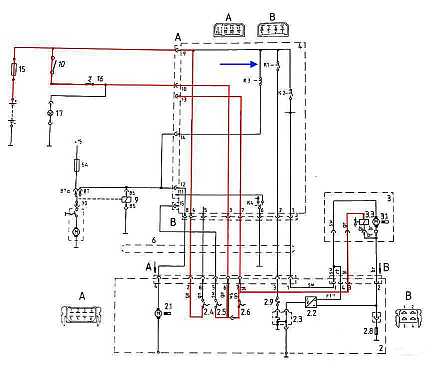
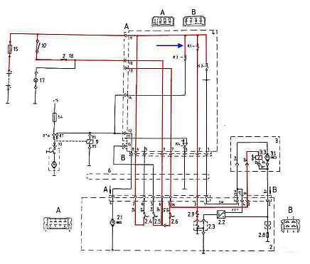
3.1 Funktionsbeschreibung / Schaltplan der Heizung: top

Die Schaltpläne liegen auch als Pdf vor: Schaltplan 1, Schaltplan 2.

Hilfreich ist da auch die Verteilerplatte im Kabelbaum zwischen Steuergerät und Heizung, die ich im Radlauf vorne rechts 2014 einbaute (siehe Restauration).

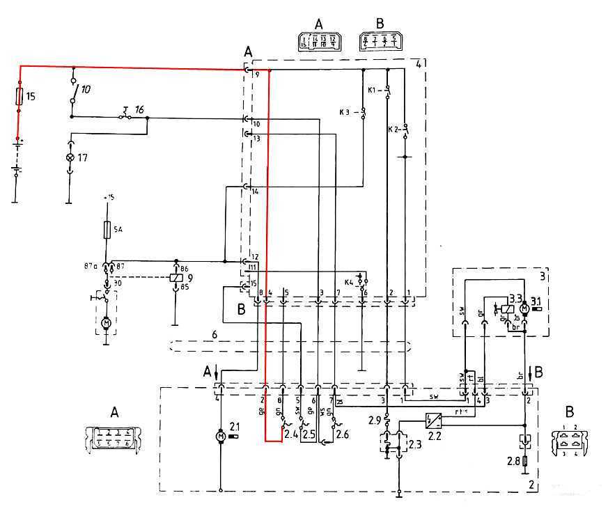
Das Steuergerät der WO2352-Heizung ist am Stecker A/9 über eine Sicherung (15) mit Dauerplus verbunden. Damit haben auch die Anschlüsse B/4
und am Heizgerät A2 Dauerspannung. Damit hat der Brennwächterthermostat (2.4) an der gelben Leitung auch 12V.
Schaltplan WO2352
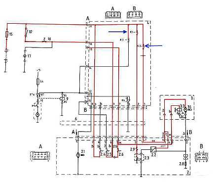
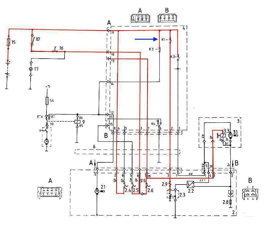
3.2 Einschalten und Vorglühen: top

Wird nun der Einschalter (10) geschlossen, erhalten am Steuergerät (4) die 12 V die Anschlüsse A/10 und A/3 und am Heizgerät (2)
die Anschlüsse A/6 und über den geschlossenen Regelthermostat (2.6) die Anschlüsse A/7, B/3 (Magnetventil öffnet) und am
Steuergerät A/13 Spannung. Ein Timer mit 120 sec. Vorglühzeit wird eingeschaltet.

2. Bild: Gleichzeitig schließt im Steuergerät das Relais K1 (blauer Pfeil) und gibt Spannung auf Anschluss B/2 und am Heizgerät auf
Anschluss A/3, d.h. an den Ringheizkörper (2.9) und an die Glühwendel der Glühzündkerze (2.3). Es wird vorgewärmt.
Schaltplan Schaltplan
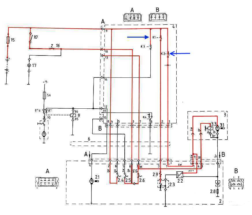
3.3 Vorglühen und Start der Verbrennung: top

Nach 120 sec. wird im Steuergerät das Relais K2 geschlossen, 12 V gelangen über Stecker A/1 zum Stecker A/1 im Heizgerät und damit
zum Stecker B/1 (Brennluftgebläse wird eingeschaltet) und B/4 , wodurch die Zündspannung eingeschaltet wird. Es startet ein Timer
mit einer Sicherheitsschaltzeit von 95 sec. Es sind nun Ringheizkörper, Glühwendel, Zündfunkengeber und Versorgungseinheit (Gebläse und Pumpe) in Betrieb.
Schaltplan
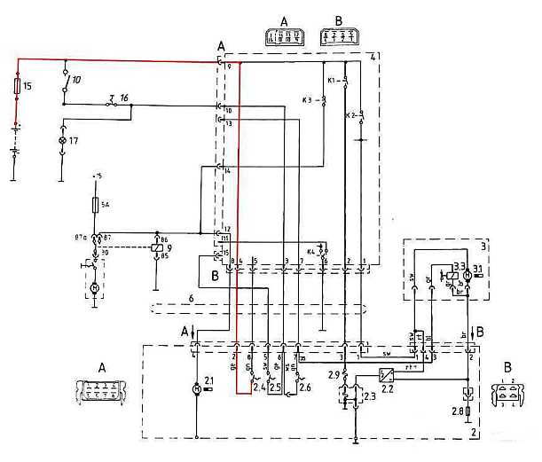
3.4 Heizbetrieb: top

Das Kühlmittel wird nun erwärmt. Der Brennwächterthermostat (2.4) schließt ab etwa 180 Grad C. Brenntemperatur seinen Kontakt und
legt 12 V über Stecker A/8 an an Stecker B/5 des Steuergerätes. Das Relais K1 öffnet den Kontakt, Ringheizkörper (2.9) und Glühwendel (2.3) werden abgeschaltet.

Das Relais K3 schaltet ein. Damit gelangen 12 V am Steuergerät an Stecker A/14 (Gebläserelais (9) wird eingeschaltet) und A/12.
Dadurch wird am Heizgerät über Stecker A/4 die Kühlmittel-Umwälzpumpe (2.1) der Heizung eingeschaltet und der Timer für die Sicherheitsschaltzeit unterbrochen.

Der Glühthermostat (2.5) schließt auch ab 180 Grad C. seinen Kontakt und legt 12 V über Stecker A/5 an Stecker A/15 des Steuergerätes,
an den Timer IC2. Damit läuft die Versorgungseinheit ohne Verzögerung.
Schaltplan
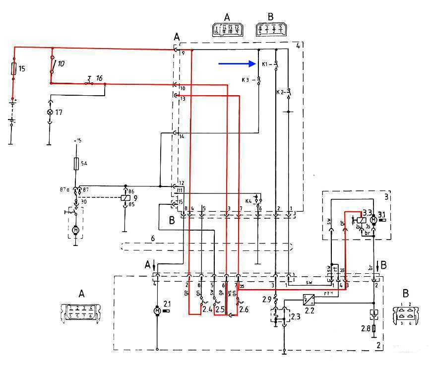
3.5 Regelbetrieb: top

Bei einer Kühlmitteltemperatur über 85 Grad C. öffnet der Regelthermostat (2.6) und unterbricht die Spannungszufuhr zum Magnetventil (3.3),
das somit die Brennstoffzufuhr schließt und die Verbrennung stoppt. Im Steuergerät fehlt somit am Stecker A/7 die Spannung.

Ein Timer startet eine Nachlaufverzögerung von 20 sec.. Solange läuft das Brennluftgebläse, um den Brennraum zu spülen. Danach öffnet
Relais (K2), das nun die Spannung zum Zündfunkengeber (2.2) und zum Motor Brennluftgebläse mit Pumpe (3.1) unterbricht.

Ca.40 sec. nach Brennende öffnet der Kontakt des Brennwächterthermostates (2.4).
4. Schaltuhr: top

Eine mechanische Schaltuhr war 1978 schon sehr komfortabel. Man konnte Heizungsbeginn und Heizdauer einstellen (1 Stunde max).
Die Bedienungsanleitung ist im Bild oben "Betriebsanleitung 1978" enthalten.
Schaltuhr Schaltuhr Schaltuhr
5. Thermostat-Test: top

Es gibt vier Thermostate: Glühthermostat (2.5), Brennwächterthermostat (2.4), Gebläsethermostat (2.7) und Regelthermostat (2.6).
Die Thermostate der Standheizung sind Bimetallschalter. So wurde z.B. der Gebläsethermostat von ELMWOOD gefertigt, Typ 2455RBV.
WO2352
Zum Testen verwende ich eine kleine Versuchsschaltung. Ein Kupferblechstreifen wird an den Gewindestift (M4) des Thermostaten geschraubt
und ein Temperaturfühler eines Vielfachmeßgerätes angeklemmt. Der Thermostat wird an ein zweites Messgerät mit Ohmmeter angeschlossen.
Mit einem regelbaren Heißluftgebläse wird der Kupferstreifen vorsichtig und langsam erwärmt, bis der Thermostat schaltet.

Die Meßwerte wurden mit mehreren gleichen Thermostaten ermittelt. In Klammern stehen die von Webasto angegebenen Werte (Sollwert).
Thermostattest
5.1 Glühthermostat (2.5): top

A0008352179: M4-Gewindestutzen, schließt etwa bei 240 Grad C und öffnet unter etwa 155 Grad C (Sollwert: 180). Kontakt C/6 (Heizgerät): bekommt Plus vom Einschalter (16) Pin A/10, Stecker A,

schließt nach Erreichen der Vorglühtemperatur. Schaltet im Steuergerät die Heizung auf Zündung und Betrieb.
Kontakt C/5 verbunden mit Kontakt A/15 Steuergerät, siehe Schaltplan 1.pdf.

Sicherung (Sperrscheibe), EPC: A0019949945, bei Mercedes nicht mehr erhältlich. Es gibt diese Starlock-Scheiben mit Außendurchmesser: 25 mm,
Innendurchmesser: 11,30 mm für Bolzen 12 mm aus Edelstahl im Internet. Es gibt zum Lösen ein einfaches Werkzeug z.B. von BGS technic ÿbei Contorion.Nr. 57544508 ÿÿ.
WO2352 Glühthermostat Glühthermostat Glühthermostat
5.1.1 Glühthermostat (2.5) Sperrscheibe: top

Eine Starlock-Scheibe am Sockel des Glühthermostaten und zwei Masseschrauben halten die Grundplatte am Heizrohr (15).
WO2352 WO2352
5.2 Gebläsethermostat (2.7): top
A0008352379 Typ ELMWOOD F500 2455RBV, M4-Gewindestutzen, Kontakt schließt bei 58 - 63 Grad und öffnet unter 47 - 45 Grad C.
(Sollwert: 55 Grad C.). Einzelanschluss (E), schaltet nach Erwärmung nach Masse, Gebläserelais erhält Masse und schaltet das Gebläse ein.
Geblaesethermostat
5.3. Regelthermostat (2.6): top
A0008353879 - nicht mehr lieferbar

Typ ELMWOOD 2455RBV, M4-Gewindestutzen, der Kontakt öffnet bei 90 - 95 Grad C Wassertemperatur und ist unter 66 - 57 Grad C.
(Sollwert 70 Grad C.) geschlossen. Kontakt C/6 u.C/7, schaltet Plus zum Magnetventil (3.3), regelt die Heizung durch Aus- und Einschalten
der Brennstoffzufuhr mittels Magnetventil (3.3).

Es gibt einen fast baugleichen Regelthermostat bei Fa. Bürklin (Tipp von M.Bomers). Die Befestigung, sowie die Temperaturhysterese passen.
(90/60°): www.buerklin.com, Suchwort "Temperaturschalter" Nr. 30G432
5.4 Brennwächterthermostat: (2.4) top
A0008351346 - nicht mehr lieferbar

Die gelbe Leitung des Thermostaten im Stecker C/2 bekommt Dauerplus von Kontakt B/4. Die grüne Leitung im Stecker C/8 führt zum
Stecker B/5 am Steuergerät. Der Kontakt ist unter 140 Grad C. geöffnet.
Brennwächter WO2352
Bei etwa 180 Grad C. schließt der Kontakt im Brennwächterthermostat (2.4). Er schaltet über Stecker C/8 somit 12 V an Stecker B/5 am
Steuergerät. Dadurch wird spätestens 100 Sek. nach Brennbeginn der Kontakt im Relais K1 im Steuergerät geöffnet und die Glühwendel
in der Glühzündkerze (2.3) und die Vorwärmung durch den Ringheizkörper (2.9) werden ausgeschaltet.
5.5 Temperatursicherung (2.8): top

Die Temperatursicherung A0008351646 (2.8) ist am Rand vom Brennwächterthermostat (2.4) eingesteckt und wird von einem Sprengring gehalten.
Sicherung Übertemperatur WO2352
Sie funktioniert als Überhitzungsschutz (Not aus) und unterbricht über 170 Grad C (z.B. kein Kühlwasser) die Masse zum Zündfunkengeber (2.2),
sowie zum Magnetventil (3.3) und Brennluftgebläse (3.1) in der Versorgungseinheit. Dabei schmilzt ein Draht im roten Stecker durch.
Dies passiert auch, wenn der Kühlwasserkreislauf im Heizgerät nicht richtig entlüftet ist.

Pin 2 am Stecker D hat also normalerweise immer Masseverbindung.
Sicherung Übertemperatur Sicherung Übertemperatur
Bei Webasto ist die Sicherung nicht mehr erhältlich. Ersatz findet man z.B. bei www.eska-fuses.de. Der Typ G4A00184C (770.184) unterbricht bei 184 Grad C.,

bei 8 Amp Dauerstrom und ist 4 x 10,5 mm groß. Er wird in den Stecker eingelötet. Die Wärme wird mit einer Spitzzange abgeleitet,
sonst ist die Unterbrechung schon da! Bei Conrad.de: Bestell-Nr. 534080-U4

Bei www.reichelt.de gibt es die Temperatur-Sicherungen auch, z.B. MTS 172 , öffnet bei 172 Grad Celsius, 4 mm x 12 mm, dazu gibt es einen Quetschverbinder.
6. Abgasrohr, Auspuff: top

Das Abgasrohr ist aus Edelstahl-Wellrohr mit 22 mm Innendurchmesser, Nr. 337390 22x2, 1m, gibt es beim Bosch-Dienst.
Den Auspuff (A0008340530), Webasto-Nr. 1300735A gibt es aus Edelstahl bei Webasto-Vertretungen.
Abgasrohr Auspuff
7. Probleme beim Rapsölbetrieb des 240GD: top
Zusatztank für die Standheizung:

Grundsätzlich können fast alle Standheizungen nicht mit Rapsöl betrieben werden. Die kleinen Kolben der Versorgungspumpe bei meiner alten
Heizung WO2352 fördern das dickflüssigere Rapsöl nicht. Wahrscheinlich ist bei den neueren Typen auch die Brennerdüse ungeeignet.
Daher benötigt man beim Rapsölbetrieb des 240GD einen Zusatztank für Diesel.
Pumpe WO2352 Zusatztank
Bewährt hat sich der TÜV-geprüfte Kunststoff-Zusatztank der Fa. Monopoel
mit 12 l Inhalt (Artikel-Nr. tank-2010) , der senkrecht auf dem hinteren Radlauf befestigt ist. Das Ansaugrohr muß dazu etwas
verlängert werden. Für die Tankdeckeldichtung aus Kork gibt es inzwischen eine aus Viton, die besser abdichtet. Die Entlüftung im
Tankdeckel habe ich durch einen Entlüftungsschlauch ersetzt (mit einer durchbohrten M 8 Schraube als Anschluß).

Als Leitung vom Tank zur Heizung kann sehr gut eine 4,75 mm Stahl-Bremsleitung verwendet werden, die mit Schellen befestigt wird.
Ein 6 mm Kraftstoff-Schlauch passt direkt auf die Bremsleitung. Am Tankanschluß benötigt man ein Reduzierstück von 8 auf 6 mm.
Vor der Versorgungseinheit der Heizung ist ein Feinfilter eingebaut. Nach dem Einbau der Leitung muß diese mit Diesel gefüllt werden.
8. Fehlersuche: Praxisbeispiele: top

1. Beispiel: Heizung glüht vor (Ringheizkörper und Glühkerze werden heiß), aber Gebläse/Versorgungseinheit läuft nicht!
Ursache: Temperatursicherung defekt, vermutlich Alterung!
2. Beispiel: Heizung glüht vor, Versorgungseinheit läuft, Heizung qualmt kurz weiß, geht wieder aus.

Ursache: Glühthermostat (2.5) gelb/schwarz schließt nicht (Test: am Thermostat überbrücken: Heizung läuft.)
WO2352
3. Beispiel: Heizung glüht vor, Versorgungseinheit und Hochspannung funktionieren, Heizung qualmt anfangs weiß,
nach einer Minute läuft sie normal.
Ursache: Brennstoffdüse nicht sauber, Ablagerungen in den Düsenöffnungen. Die Anschlüsse an Glühkerze und Ringheizkörper
hatten auch Übergangswiderstände.

4. Beispiel: Heizung läuft etwa 2 Minuten normal, schaltet dann ab, läßt sich starten, läuft aber nur max. 2 - 3 Minuten.
Kontaktproblem in den Crimpungen der Stecker, Steuergerät reagiert darauf: Crimpungen bei allen Steckern nachpressen und verlöten
oder gleich neue Steckkontakte aufpressen und verlöten. Daraufhin hatte ich keine Probleme mehr. Es könnte aber auch eine Lötstelle
im Steuergerät sein.
9. Reparatur Webasto WO2353 im L407D: top

W. Trost hat in seinem DB-Kastenwagen, Typ: L407D/35 Doppelkabine (Zivilschutz Arzttruppkraftwagen, OM616, Typ 309.125 OM616.910) die
defekte Standheizung WO2352 nach vielen Jahren wieder funktionsfähig gemacht. Da er den Ausbau vermeiden wollte, führte er die Messungen
am B-Stecker durch und konnte die Ursache, einen defekter Regelthermostat, finden.
Vielen Dank für den Bericht und die Bilder!
Thermotop C Thermotop C Thermotop C
Der Bericht:

Ausgangssituation: Beim Einschalten der Webasto WO 2352 tut sich gar nichts. Lediglich das Steuergerät klickte mutig. Ob die Ringheizung
heizte, konnte ich da noch nicht beurteilen. Da ich den Aufwand scheute, die Heizung mit allem Zubehör auszubauen (vom Risiko was kaputt
zumachen ganz abgesehen), habe ich folgenden Test durchgeführt:

Der Test kann bei eingebauter Standheizung durchgeführt werden, lediglich das Steuergerät wird von seinen Steckverbindern getrennt und die
verschiedenen Komponenten der Standheizung durch Anlegen von Batteriespannung an den Stecker B (8 polig, weiblich) des Kabelbaums getestet.

1. 12V an B1 (sw) Erwartung: Gebläsemotor (Dosierpumpe und Zündfunkengeber) muss anlaufen, falls nicht => Thermosicherung defekt /
Motor der Versorgungseinheit defekt / Verkabelung defekt

2. 12V an B7 (bl) Erwartung: Magnetventil muss klicken (sehr leise), falls nicht => Thermosicherung defekt / Magnetschalter der
Versorgungseinheit defekt / Verkabelung defekt

3. 12V an B3 (ws) Erwartung: Magnetventil muss klicken (sehr leise), falls nicht => Regelthermostat defekt

4. 12V an B2 (gb) Erwartung: Ringheizung/Glühkerze müssen sich erwärmen, falls nicht => Ringheizung defekt / Glühkerze / Verkabelung defekt

Test 3 war fehlgeschlagen, sodass der Regelthermostat als Hauptverdächtiger feststand (das Klicken des Magnetschalters ist wirklich sehr leise).
Widerstandsmessung zwischen B3 (ws) und B7 (bl) ergab keinen Durchgang. Verdacht bestätigt.

Nach provisorischer Überbrückung des Regelthermostats und Anschluss des Steuergeräts, startete die Heizung, so wie in Ihrer Dokumentation beschrieben (Bericht Ende).

Anmerkung: Man könnte auch den Stromfluss mit eienem Amperemeter messen, wenn man das Klicken des Magnetschalters nicht hört.
10. Dieselfilter: top

Die Heizung sollte man nur mit einem Dieselfeinfilter, z.B. von MANN, WK21 (im Zubehörhandel erhältlich) betreiben (Anschlüsse für
6 mm Schlauch). Sie dienen auch als Luftfilter bei den elektromagnetischen Ventilen der Differenzial-Sperren beim 463, siehe Tipp Sperren.
Filter Filter WO2352
11. Ansaugrohr/Dämpfer: top

Je nach Fahrzeug gab es für die WO2352 einen Ansaugdämpfer A0008320016.

EPC-Net: 611.317, Aggregat FH, Gruppe 83 Heizung-Lüftung, 4294 Zusatzheizung Code H11, H12
WO2352 WO2352
12. weitere Links: top

zur Infoseite von Webasto

Werkstatterfahrungen:

Welche Erfahrungen ein G-350TD-Fahrer ("Tasman Devil", 4x4-Forum) mit seiner Standheizung Thermotop S in verschiedenen Werkstätten machte,
kann man hier nachlesen.



Thermotop C im G500:

C. Günther beschreibt bei einem G500 den Einbau einer Thermotop C

Webasto DBW46:

Einen sehr guten Reparaturbericht über eine Webasto DBW46 findet man auf der ehemaligen Seite vom Rainer : www.rainer4x4.de

Webasto

Benzinheizung WP1021:

Mit Google findet man das Webasto-Manual.
zurück zum Anfang -

HTML-Validation by-Upload

Valid HTML 4.01!