Automatikgetriebe 720.1XX / Lenkgetriebe: 280GE 1984:
280GE 460.232, Bj. 1984

tipp98-7.htm: w463
Letzte Änderung 07.02.26/19.06.21/17.04.16/05.08.14/27.02.14/24.07.13/04.09.12/28.01.2010 (C) Dr. Juliane Hehl
Impressum gem. DSGVO

Webseite Juliane - zur Auswahl 280GE - Stichwörterverzeichnis Mercedes Geländewagen / Webseite

Die Webseiteninhalte bieten nur die Hilfe zur Selbsthilfe und sind keine Anleitung zur Reparatur, nur eine
Literatursammlung. Emails werden nicht beantwortet, es gibt keine Zugangsdaten! Das gilt nicht für mir bekannte
Clubmitglieder. Arbeiten am Fahrzeug erfordern fachliche Kompetenz und die Ehrlichkeit, die eigenen Fähigkeiten
richtig einzuschätzen oder besser die Finger davon zu lassen bzw. in die Werkstatt zu gehen. Alle Angaben nach
bestem Wissen, aber ohne Gewähr und Haftung! Etliche Hinweise können unter Umständen bei fehlerhafter Ausführung
zu erheblichen Folgeschäden führen.

Es wird daher ausdrücklich jede Haftung dafür abgelehnt. Der Ausführende trägt das alleinige und uneingeschränkte Risiko.
Übersicht:
1. Automatikgetriebe 720.109 WA4018 280GE 1984

1.1 Überraschung:
1.2 Techn. Daten:
1.3 Ölwechsel:
1.4 Ölwechsel - Wandler:
1.5 Messanschluss:

1.6 Schaltstange:
1.7 Übergas-Schalter/Kick-Down-Schalter:
1.8 Getriebe-Abstützung hinten:
1.8.1 neue Abstützung:
1.8.2 Umbau Getriebe-Abstützung hinten:
1.9 Startstopp-,Rückfahrlichtschalter:

2. Verteilergetriebe:
3. Lenkgetriebe:

3.1 mechanischer Endanschlag:
3.2 max. Radeinschlagswinkel:
3.3 Grundeinstellung: hydraulische Endbegrenzung:
3.4 Hydraulische Endbegrenzung einstellen:
3.5 Lenkungsspiel prüfen (Servicelenkung):
1. Automatikgetriebe:

1.1 Überraschung:
top
Laut Datenkarte aus dem EPC-Net ist ursprünglich das automatische Viergang-Getriebe Typ 720.109 - 10 012752 / 720.109 W 4A018 mit Wandler verbaut. Tatsächlich ist ein Austauschaggregat: A4602701001 Nr. 310370 im Fahrzeug.

W4A018: W = hydraulischer Drehmomentwandler, 4 = Zahl der Vorwärtsgänge, A = Ausführung (intern), 018 max. Eingangsdrehmoment (Nm)
280ge
Im Handbuch Geländewagen 460, Nachtrag 1, Erweiterung von 1982 ist das Getriebe W4A018, Typ 720.109, 280GE beschrieben. Die eingescannten Seiten finden sich im WIS:

Übersicht: Prüf- und Reparaturarbeiten: AR27.00-P-0861G

Automatikgetriebe aus-, einbauen: RA27004600064Z
1.2 Techn. Daten: top
a) Bauvarianten:

Beim Getriebe 720.1 gibt es verschiedene Varianten (Quelle EPC-Net Daimler AG):
720.106 - A4602700401 - z.B. 460.220 - 230G
720.107 - A4602700501 - z.B. 460.310 - 240GD
720.108 - A4602700601 - z.B. 460.323 - 300GD
720.109 - A4602700701 bis Getriebe-Nr.: 12578 - z.B. 280GE
720.109 - A4602701001 ab Getriebe-Nr.: 12578
720.111 - A4602700901 - z.B. 460.239 - 230GE
720.137 - A4602701501 - ??? - ???
b) Übersetzungsverhältnis:

siehe RA27004600005Z

1. Gang: 4.007, vorderer u. hinterer Planetensatz, Bremsband B2
2. Gang: 2.392, alle drei Planetensätze, Bremsbänder B1, B2
3. Gang: 1,463, hinterer Planetensatz, Kupplung K1, Bremsband B2
4. Gang: 1,---, keine Übersetzung, Kupplung K1, K2

Rückwärtsgang: 5,495, vorderer u. hinterer Planetensatz, Bremsband B3, Kupplung K2
1.3 Automatikgetriebe: Ölwechsel - Ölwanne: top

Öl- und Filterwchsel: AP27.00-P-2702G v. 15.08.2011

Absolut sauber arbeiten, auch Haare und Wollfussel können die Funktion des Automatikgetriebes beeinträchtigen.
Nachdem die Wanne und die Anschlüsse gesäubert sind, wird die Hohlschraube (unten am Öleinfüllrohr) gelöst und das Öl abgelassen. Dann die vier Schrauben mit den Haltestücken lösen und die Wanne abnehmen. 280ge 280ge 280ge 280ge
Nun sieht man den Filter A7202770095, der mit zwei Schrauben und Abstandsbolzen am Getriebe befestigt ist. 280ge 280ge 280ge 280ge
280ge 280ge
Vor der Montage des Filters kommt ein neuer, weißer Dichtungsring A0069979948 auf den Stutzen des Filters. 280ge 280ge
Eine neue Ölwannendichtung (A1152711680) kann auch nicht schaden, muß aber nicht gewechselt werden, solange die Dichtung nicht beschädigt ist. Die vier Haltestücke unter den Schrauben nicht vergessen. Die Schrauben mit 7 Nm anziehen (ohne Drehmomentschlüssel nur handfest). 280ge 280ge 280ge
Öl einfüllen:

Zunächst werden 4 Liter ATF-3 eingefüllt. Ich verwende das ATF-3 von LiquiMoly, LM1056, aus dem Zubehörhandel (5-Liter-Kanister).
In das Öleinfüllrohr kann man einen Trichter stecken. Zum Auffüllen aus einem Kanister ist der Trichter zu weit unten am Motor. Zum Nachfüllen gibt es ein Verlängerungsrohr (W1405894963) für den Einfülltrichter. Die Mercedes-Werkstatt verwendet einen Einfülltrichter (W126589126300) mit feinem Filter und Absperrhahn. Der Universalölmessstab (W1405891521) könnte auch passen. 280ge
Ölstand prüfen, richtig stellen: AP27.00-P-2710G

Dann den Motor starten und in Wählhebelstellung "P" im Leerlauf laufen lassen. Nun portionsweise (z.B. 50 ml) Öl nachfüllen. Insgesamt sollen (mit Wandler) 6,2 Liter eingefüllt werden. Den Wählhebel jeweils einige Sekunden in den Stellungen R -> N -> 4 -> N -> R belassen und den Ölstand kontrollieren.
280ge 280ge
Ölstand:

Der Abstand zwischen Minimal- und Maximalmarkierung am Ölmessstab beträgt 0,3 Liter, das sind 1,5 cm Unterschied. Bei 20-30 Grad C. soll der Ölstand bei laufendem Motor beim 280GE an der unteren Markierung stehen. Bei einer Öltemperatur von 80 Grad C. (betriebswarmes Getriebe) soll der Ölstand zwischen Min- und Max-Markierung stehen, keinesfalls darüber oder darunter.
280ge
1.4 Wandler-Ölwechsel: top

Das Öl aus dem Drehmomentwandler sollte auch abgelassen werden (über 1 Liter). Als Erstes muß alles um die Ablassschrauben gesäubert werden. Dann beide Inbusschrauben herausdrehen, die kleinere, vordere Ablassschraube (grüner Pfeil) aus Kunststoff am Wandlergehäuse fehlte schon mal.
280ge 280ge
Entgegen allgemeiner Aussagen konnte ich den Wandler mit einem Schraubenzieher durch die Ablassöffnung nicht drehen. Dazu mußte die Kurbelwelle (27-Nuss) im Uhrzeigersinn gedreht werden (nicht umgekehrt), bis die kleine Inbusschraube in der Öffnung sichtbar wurde (Geduldsspiel, wenn man das allein machen will). Nun habe ich mir die Stellung der Schwungscheibe gemerkt. 280ge
Mit einem kleinen 5er-Inbus schraubt man die Ablassschraube (N000000000648 - Anzugsmoment 14 Nm) heraus. Den Dichtring (N007603010100) kann man wechseln, muß aber nicht. Da Öl auch ins Gehäuse läuft, muß auch die vordere Kunststoff-Schraube A4602570140 (M16) heraus. 280ge 280ge 280ge 280ge 280ge
Automatikgetriebe: Teile - Anzugsmomente:

Ölfilter: A7202770095
Dichtung (weißer Ring): A0069979948.
Ölwannendichtung: A1152711680
Ölwanne: A4602700012

Schraube Ölwanne an Getriebegehäuse: 7 Nm
Hohlschraube Öleinfüllrohr an Ölwanne: 22 Nm
1.5 Messanschluss: top

Zwei blind endende Leitungen mit Stopfen sind die Messleitungen vom Modelier- und Reglerdruck.
Im 2. und 3. Bild sieht man die weiße Plastikdose für den Modelierdruck.
280ge 280ge 280ge
1.6 Schaltstange: top

Die Schaltstange besitzt ein Dämpfungselement mit mehreren Teilen und Federn. Im EPC-Net findet man
die Teile der Schaltstange in der Gruppe 26: Getriebe, SA 28053, Bild 2.
Schaltstange Nr. 320: A3092671117

Einstellung Wählhebel: RA27004600021z
280ge 280ge
Im Juni 2021 gibt es bei Mercedes fast keine Teile mehr dazu.

Von einem Besitzer eines 207D, WDB601361 mit Automatikgetriebe erhielt ich die Schemazeichung mit der
Schaltstange mit dem Dämpfer (Nr. 70) vom Viergang-Automatikgetriebe beim 207D. Sie scheint mit
der Schaltstange vom 280GE gleich zu sein.

Er kaufte am Do., 27. Aug. 2020, 14:47 von mir den Tankgeberdraht und konnte erfolgreich den Tankgeber vom 207D reparieren.
280ge
1.7 Übergas-Schalter/Kick-Down-Schalter: top

Der Kick-Down-Schalter (A0003000141) sitzt als Anschlag unter dem Gaspedalgestänge
und kann nach einer kleinen Linksdrehung aus dem Bodenblech gezogen werden (Bajonetverschluss).
280ge 280ge 280ge
Beim Einbau die kleine Gummidichtung A1159970640 nicht vergessen. 280ge 280ge
1.8 Automatik-Getriebeabstützung hinten: top
Die Automatikgetriebeabstützung hinten erfolgt durch ein Gummilager A4602405718 (grüner Punkt), das auf einer Abstützung ruht. Schaut man im EPC-Net nach (Gruppe 24 /015/2), ist dort zusätzlich der Metallhalter A4602660240 (Bild-Nr. 40) für das Gummilager abgebildet. Dieser fehlt, also wieder Pfusch der Vorbesitzer. Der Bolzen im Getriebelager ist locker, also wird das Lager gewechselt und der Halter eingebaut. 280ge 280ge
Die Schraube N000931008251 M8x75 (EPC-Bild-Nr. 55) hält den Bolzen im Halter. Es gibt drei Härtegrade dieses Lagers:
A460240 5618, blauer Punkt, 310 N
A460240 5718, grüner Punkt, 400 N
A460240 6318 , roter Punkt, 515N
Die Abstützung (Träger) A4602601460(ab Ident-Nr. 034825/901172, Gruppe 24, SA 28107, 08 (Code G40, Automatisches Getriebe)) ist mit 4 M8-Schrauben am Rahmenquerrohr angeschraubt ist. Pfusch: Eine Schraube fehlte und eine war zu kurz. 280ge 280ge 280ge
Zum Abschrauben der Abstützung hebt man das Getriebe etwas an. Am Motorlager fehlte der Metallhalter A4602660240. 280ge
1.8.1 neues Lager: top
Der Bolzen im Lager ist verschiebbar. Vor dem Einbau mit einem Korrosionschutzwachs einsprühen. Die obere Schraube hat ein M12-1,5-Gewinde. 280ge 280ge 280ge
280ge 280ge 280ge
1.8.2 Umbau Getriebe-Abstützung hinten: top
In der Abstützung lagert sich der Schlamm ab, daher werden ein 15 mm Loch als Abfluss und drei zusätzliche 8 mm Löcher in der Halterung am Rahmen gebohrt. Eigentlich könnte man die Abstützung kürzen, da die vordere Langlochreihe nicht benötigt wird. 280ge 280ge 280ge 280ge 280ge
1.9 Startsperr- und Rückfahrlichtschalter: top

In der Übersicht: Prüf- und Reparaturarbeiten: AR27.00-P-0861G findet man die eingescannten Handbuchseiten von 1982:

Schalter aus-, einbauen: RA278004600022z

Der Schalter ist an der linken Getriebeseite schlecht zugänglich, da sich eine Verbindungsstange der Verteilergetriebeabstützung davor befindet. Der Kabelstecker ist mit einer drehbaren, weißen Sicherung versehen.

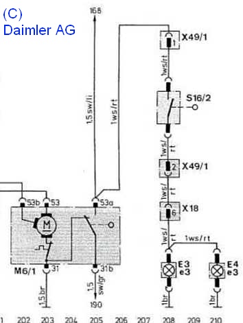
Der Kabelstecker am Schalter hat vier Buchsen. Bei eingelegtem Rückwärtsgang ist der Rückfahrlichtschalter S16/2 geschlossen. Nur bei der Parkstellung ist der Startstoppschalter geschlossen (Motor anlassen möglich.

Kabelstecker/Leitung: A30095407127
Dichtung: A0029975748
Schalter: A0005454906
Test des Startsperr- und Rückfahrlichtschalters am Automatikgetriebe:

Vom Schalter am Getriebe führt eine vieradrige Leitung zum sechspoligen Steckverbinder X49/1 im Motorraum links (2 x lila-weiß, grau-gelb und schwarz-gelb).
Stecker:
Pin 1: lila-weiß, Pin 4: lila-weiß: Startsperrenschalter, bei eingelegter Parksperre verbunden
Pin 2: grau-gelb, Pin 5: schwarz-gelb: Rückfahrscheinwerfer, bei eingelegtem Rückwärtsgang verbunden
Pin 3: Schwarz-grün, Pin 6: schwarz/blau:
280ge 280ge
Buchse:
Pin 1: schwarz-rot, Pin 4: schwarz-rot: Startsperrenschalter
Pin 2: rot-weiß, Pin 5: rot-weiß: Schaltkontakt Rückfahrscheinwerfer (+12V)
Pin 3: blau-schwarz, Pin 6: schwarz/grün
280ge 280ge 280ge
Ein weiterer 2-poliger Stecker (weiss/rot) in dieser Leitung vom Stecker X49 zum Rückfahrscheinwerfer fand sich unter der Lenkradsäule. Ein Pin war defekt/verschmort. Ich habe einen einfachen Steckverbinder verwendet.

X49/1: Steckverbinder sechspolig, Rückfahrlichtschalter, Startstoppschalter
X18: Steckverbinder Schlusslampenleitungssatz 6-polig
280ge 280ge
2. Verteilergetriebe - Ölwechsel: top

Wie im Differenzial war auch im Verteilergetriebe Wasser. Das beim Ölwechsel ablaufende Öl war milchbraun emulgiert. Eingefüllt wurden 2 Liter Mobilube 6XSA80. Arbeitslohn 6 AW, da lohnt sich der "DoItYourself-Wechsel" in Zukunft. Nur das Einfüllen ist umständlich.
2.1 zusätzliche Befestigung Verteilergetriebe VG: top

Die zusätzliche Befestigung des Verteilergetriebes ist verbogen. Auch die beiden Gummilager A0004630465 müssen erneuert werden.
280ge
2.2 Hitzeschild Verteilergetriebe: top

Die Hitzeschilder für das Verteilergetriebe sind beim Auspuff vom 280GE beschrieben.
3. Lenkgetriebe: top
Bei meinem 280GE (VAG 46023217901536) ist bei der Servolenkung das Lenkgetriebe 765.502 LS 2B verbaut. Am Lenkgetriebe sind Einstellungsmöglichkeiten für die hydraulische Endbegrenzung (seitlich) und für das Drehmoment der Lenkspindel (oben) vorgesehen. 280ge
3.1 mechanischer Endanschlag:

Vor den Einstellungen muss der mechanische Endanschlag korrekt eingestellt sein. Zwischen Reifen und Längslenker sollen 2 cm Abstand bestehen. Diese Einstellung darf nicht bei laufendem Motor vorgenommen werden, da sonst eventuell die hydraulische Endbegrenzung eintritt.
Die M8-Schraube am Achsgelenkgehäuse (2.Bild, Nr. 5/6), die den Lenkeinschlag begrenzt, ist zu schwach. Deshalb ist sie bei der TAT2009 am linken Vorderrad ja auch abgerissen. Ich hatte sie zunächst mit mehreren Muttern verstärkt. tat2009 tat2009
neuer Anschlag:

Aus einer 4 mm dicken V2A-Beilagscheibe und einer M8-Anschweißmutter entstand eine kräftige Bundmutter (Tipp von René), die sich nun am Achsgehäuse abstützt.
tat2009 tat2009 tat2009 tat2009
Die zwei zusätzlichen Beilagscheiben an der Anschlagschraube reichen bei den großen Reifen MT117 285/85 R16 noch nicht aus. Das Profil der neuen Reifen schleift gerade noch am Längslenker. Da muss noch eine Mutter dazu geschraubt werden. tat2009 tat2009
3.2 max. Radeinschlagswinkel top

Inzwischen weiß ich auch, dass konstruktionsbedingt der Beugungswinkel des Mercedes-Gleichlaufgelenks nur maximal 40 Grad betragen darf, d.h. der Lenkanschlag ist zur Sicherheit entsprechend kleiner einzustellen. Bei z.B. 7.50R16 (Spurweite 1425 mm) beträgt der max. Radeinschlagwinkel nur 35 Grad oder bei z.B. 265/70R16 (Spurweite 1475 mm) nur max. 33 Grad.

Der maximale Lenkeinschlag muss immer am kurveninneren Rad gemessen werden. Der Motor darf nicht laufen, da sonst die hydraulische Endbegrenzung einsetzt.

AR40.20-P-0345AC (15.07.13) Radeinschlag messen, einstellen
AR46.25-P-3090F (23.09.09) Hydraulische Endbegrenzung prüfen und einstellen
AR46.25-P-3090-01F(28.02.2014) Grundeinstellung
AR46.25-P-3090-02F (28.02.2014) Hydraulische Endbegrenzung einstellen
3.3 Grundeinstellung "Hydraulische Endbegrenzung": top

Die sollte immer zuerst vorgenommen werden. Das Lenkbegrenzungsventil steht unter hohem Druck und darf bei laufendem Motor nicht mehr als 2,5 Umdrehungen vom Anschlag herausgedreht werden, da sonst Öl heraus spritzt.

Zuerst die Sicherungsschraube (M6, SW 10) lösen und das Sicherungsblech von der Ventilschraube (SW19) abnehmen. Die Ventilschraube bis zum Anschlag einschrauben.

Dann die Ventilschraube beim Lenkgetriebe 765.502 eineinhalb Umdrehungen herausdrehen. Beim Lenkgetriebe 765.503 nur eine Umdrehung herausdrehen.
280ge
3.4 Hydraulische Endbegrenzung einstellen: top

Grundsätzlich sollte die hydraulische Endbegrenzung einsetzen, bevor der mechanische Endanschlag erreicht ist. Dann sind noch etwa 1 - 2 mm Abstand zwischen der Anschlagschraube am Achsgelenkgehäuse und dem Anschlag an der Achshalbkugel.

Setzt die hydraulische Endbegrenzung zu spät ein (mech. Endanschlag erreicht), wird die Schraube etwa 1/4 Umdrehung heraus gedreht (ggf. wiederholen).

Setzt die Endbegrenzung zu früh ein (mech. Endanschlag nicht erreicht), dreht man die Schraube 1/4 Umdrehung hinein (ggf. wiederholen).
3.5 Lenkungsspiel prüfen (Servolenkung): top

Steht das Fahrzeug am Boden, läuft der Motor und stehen die Räder gerade, müssen sich bei einer Lenkraddrehung abwechselnd nach links und rechts im Bereich von etwa 30 Grad die Vorderräder bewegen.

Bei mechanischer Lenkung und angehobenem Fahrzeug darf kein Spiel bei der Mittenstellung vorhanden sein.
zurück zum Anfang -

HTML-Validation by-Upload

Valid HTML 4.01!