|
Teil 9: Zündsystem Motor M113.992/993 M113.992 - SL55AMG, M113.993 - G55AMG r230/w463/motorg55-2.htm: Letzte Änderung am 16.11.25/04.04.24/16.07.22/19.06.22/21.08.21/Beginn 06.01.2010 (C) Dr. Juliane Hehl (Bilder soweit nicht extra gekennzeichnet in Eigenanfertigung) Impressum gem. DSGVO zu Teil 10 - Gesamtübersicht M113 - zurück zu Teil 8 Die Webseiteninhalte bieten nur die Hilfe zur Selbsthilfe und sind keine Anleitung zur Reparatur, nur eine Literatursammlung. Emails werden nicht beantwortet, es gibt keine Zugangsdaten! Das gilt nicht für mir bekannte Clubmitglieder. Arbeiten am Fahrzeug erfordern fachliche Kompetenz und die Ehrlichkeit, die eigenen Fähigkeiten richtig einzuschätzen oder besser die Finger davon zu lassen bzw. in die Werkstatt zu gehen. Alle Angaben nach bestem Wissen, aber ohne Gewähr und Haftung! Etliche Hinweise können unter Umständen bei fehlerhafter Ausführung zu erheblichen Folgeschäden führen. Es wird daher ausdrücklich jede Haftung dafür abgelehnt. Der Ausführende trägt das alleinige und uneingeschränkte Risiko. |
| Teil 9: Zündsystem Motor M113.992/993 |
|
1. Zündsystem ME 2.8.1:
MOTOR 113.990 im TYP 211, 219 MOTOR 113.991 im TYP 215, 220 MOTOR 113.992 im TYP 230 bis Modell-J. 2008 /AEJ 07 MOTOR 113.995 im TYP 230 bis Modell-J. 2008 /AEJ 07 MOTOR 113.993 im TYP 463 bis 31.5.12 |
|
Das Zündsystem ist ein sehr komplexes System, das über 8 Eingangskanäle Daten von Sensoren erhält:
SAM vorn, Klopfsensoren links u.rechts A16/1 A16/2 , Temperaturfühler Kühlmittel B11/4 , Temperaturfühler Ladeluft B17/8 , Druckgeber Ladeluft B238 , Geber Fahrpedal B37 , Positionsgeber Kurbelwelle L5 , Hallgeber Nockenwelle B6/1 . Bidirektional wird mit den Stellgliedern Drosselklappe M16/6 und Umluftklappe M16/7 kommuniziert. Zündsystem Motor-Elektronik ME: Steuergerät N3/10: GF07.61-P-3008AM: |
![]() |
|
Über CAN kommen Daten (Momentenanforderung) von den Steuergeräten Elektronische Getriebesteuerung
EGS N15/3 und ESP bzw. ESP/BAS N47-5.
Hinweise zur Vermeidung von Schäden an der Zündanlage: AH15.10-P-0002-01D |
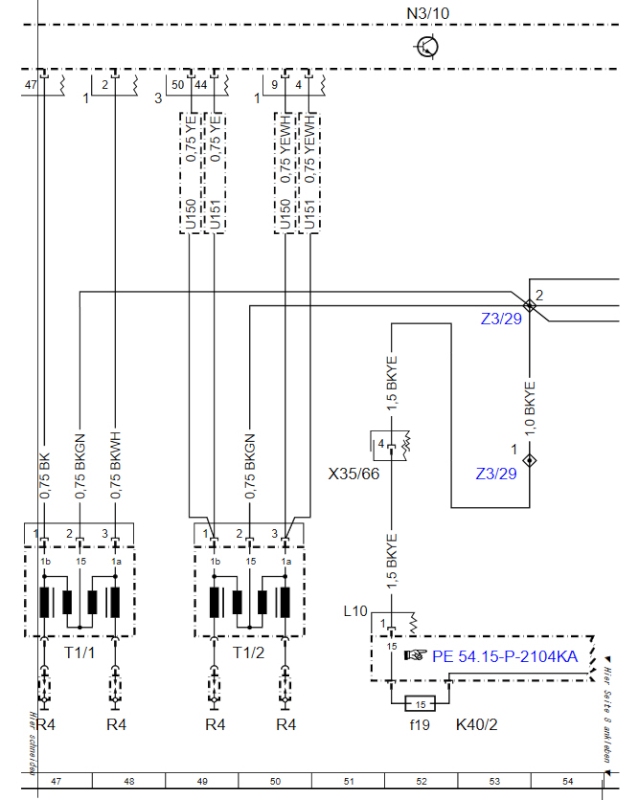
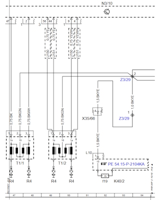
1.1 Schaltpläne Zündsystem ME M113.992 SL55AMG, M113.993 G55AMG, M113.990/991/995 :
siehe hier Abschnitt 4 siehe Schaltpläne M113.993, Typ 463.270 G55AMG und M113.992, Typ 230.474 SL55AMG: Motorsteuergerät N3/10: siehe Legende und Schaltplan Motorstuergerät N3/10 Blatt 2: PE07.61-P-2101-97KB vom 24.07.2016 |
2. Zündwinkelanpassung M113.993 / M113.992:
Bei folgenden Vorgängen erfolgt eine Zündwinkelanpassung: GF07.61-P-3008AM Katalysatoraufheizung, Leerlauf, Schubabschaltung, Getriebe-Überlastschutz, ESP/ASR-Regelbetrieb, Laufruheauswertung, Klopfneigung, Antiklopfregelung. |
|
Katalysatoraufheizung: Zusätzlich zur erhöhten Leerlaufdrehzahl werden die Zündwinkel für ca. 20 sek. auf Spätzündung gestellt, wenn die Kühlmitteltemperatur zwischen -10 und +40 Grad C. liegt. Leerlauf: Zur schnelleren Regelung wird nicht die Drosselklappe verstellt, sondern die Zündwinkel werden verändert. Schubabschaltung: Werden danach die Einspritzventile wieder angesteuert, wird beim Wiedereinsetzen der Verbrennung durch kurzzeitige Spätzündung ein Drehmomentstoß verhindert. Getriebe-Überlastschutz: Während des Schaltvorgangs (1-2, 2-1) wird die Zündung kurzzeitig nach "Spät" verstellt und so das Motordrehmoment verringert. ESP/ASR-Regelbetrieb: Wird beim Regelvorgang der Öffnungswinkel der Drosselklappe verringert, wird die Zündung kurzzeitig nach "Spät" verstellt. Laufruheauswertung mit zwei Klopfsensoren: Bei Verbrennungsaussetzern müssen die Katalysatoren vor thermischer Überlast geschützt werden, dazu werden dann die Einspritzventile nicht mehr angesteuert. Klopfneigung: Bei erhöhter Ladeluft- (> 35 Grad C.) und Kühlmitteltemperatur ( > 100 Grad C.) werden die Zündwinkel nach "Spät" verstellt, um die Klopfneigung zu verringern. Siehe Temperatur Ladeluftsensor und Kühlmittelsensor. Antiklopfregelung: Bei Klopfen eines Zylinders erfolgt eine Zündwinkelverstellung nach "Spät". |
3.1 Zündspannung, Masseansteuerung Zündspule:
Einzelheiten zur Zündung findet man auch bei Wikipedia: Zitat: Die Doppelzündung arbeitet mit zeitversetzter Ansteuerung der beiden Kerzen. Dadurch erreicht man eine schnelle und gleichmäßige Verbrennung, größere Sicherheit vor Verbrennungsaussetzern und höhere Toleranz gegen Gemischabmagerung und Abgasrückführung. Da durch die Doppelzündung die Wärmebelastung des Kolbens steigt, wird dieser durch Ölspritzdüsen gekühlt, die Motoröl von unten gegen den Kolbenboden spritzen. Die Kerzen in jedem Brennraum werden bei manchen Herstellern (nicht bei M113 Mercedes) außerdem von einem Arbeitstakt zum nächsten in abwechselnder Reihenfolge angesteuert. Das ergibt eine gleichmäßigere und niedrigere Wärmebelastung des Kolbens und gleichmäßigen Abbrand beider Kerzen. |
|
Auch bei Tekniwiki.com findet man Einzelheiten zu der Zündung (NGK Spark Plug Europe GmbH www.ngktk.com):
Das Massesignal vom Motorsteuergerät Me 2.8.1 im Leerlauf kann z.B. ein Rechtecksignal mit 8 Hz (4 V positiv) mit 2,8 ms Rechteckbreite sein. Das Rechtecksignalende bewirkt z.B. alle 125 msec die Selbstinduktion in der Sekundärspule, wobei dann z.B. über 6 KV Spannung entstehen. |
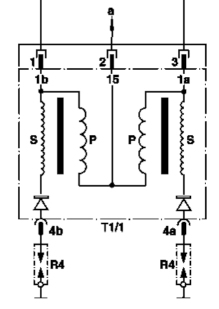
4. Zündspulen M113.992 R230 M113.993 W463: T1/1 - T1/8
Übersicht: GF15.10-P-3102AM, vom 14.03.2008 Anordnung: GF15.10-P-3102-01AM Funktion: GF15.10-P-3102-02AM |
|
Jede Doppelzündspule A0001587803 - Bosch: 0221503035 ist mit einer Schraube befestigt. Es sind zwei Zündkabelanschlüsse a / b und ein dreipoliger Steckanschluss vorhanden: Pin 1 und 3: führen zu den Anschlüssen Steuergerät N3/10 ME 2.8.1 Pin2: Kl.15, +12V, Z3/29 2, Sicherung f19 beim SL55AMG 230.474, f48 beim G55AMG 463.270 . Das ME schaltet die Primärwicklungen (wenige Windungen) der Doppelzündspule gleichzeitig an Pin 1 (Kl.1b) und Pin 3 (Kl. 1a) an Masse. linke Zylinderreihe: Zylinder/Zündspule von links 5,6,7,8 |
![]() |
![]() |
![]() |
|
Schaltplanbild Blatt 2: PE07.61-P-2101-97KB (siehe Abschnitt 1.1)
Legende: U150 gilt für M112.937 SL350, U151 für M113, Z3/29 Endhülse Klemme 15, gesichert siehe Typen-/Aggregateübersicht |
![]() |
![]() |
![]() |
![]() |
|
5. Diagnose Prüfung der Zündspule:
Mit der Diagnose können je nach Beanstandungen, z.B. Zündaussetzer KAT-schädigend, geführte Prüfungen durchgeführt werden, siehe eigener Bericht. Dazu gab es früher eine Primär-Adapterleitung, siehe: DH0C00-P-M000-39X von Fa. Hermann Elektronic: Bosch Mot250 Nr. 1 684463377 zur Prüfung ohne Diagnose. Es gab für ältere Zündspulen einen Adapter zum Messen der Hochspannung über 10.000 V an der Zündspule. |
6. Zündspulen, Zündkabel und Stecker (Zündspule):
Zündspulen aus-, einbauen: AR15.12-P-2003A Zuerst werden beide Luftfiltergehäuse ausgebaut, siehe Filter. Die Zündung muß ausgeschaltet sein, am besten Zündschlüssel abziehen! Der Arbeitsschritt "Batterie abklemmen" ist entfallen. |
| Die Kabelbinder zur zusätzlichen Sicherung der Stecker nur abzwicken, wenn die Spulen erneuert werden. Neue Kabelbinder sollten beim Einbau wieder angebracht werden. Die vier Stromversorgungsstecker A2035453028 ( System SLK 2.8, dreipolig) zu den Zündspulen abziehen. Dazu muß die Sperre (roter Pfeil) oben beim Kabeleintritt zum Stecker hin gedrückt werden, dann kann man den Stecker abziehen. Die Sperre kann dabei leicht abbrechen. |
![]() |
![]() |
![]() |
![]() |
![]() |
![]() |
![]() |
![]() |
![]() |
6.2 defekte Stromversorgungsstecker:
Bei einem SL55AMG von 10/2002 mit über 100.000 km zeigte sich, dass der Kunststoff der Stromversorgungsstecker an den Zündspulen vermutlich durch die Hitze zerstört ist. Beim Abziehen bricht die Sperrklammer ab, der Stecker zerbröselt. Zum Auspinnen der Steckereinsätze aus den Steckerresten ist ein Auspinnwerkzeug SLK 2.8 Design 97 notwendig, das hier beschrieben ist. |
| EPC-Net: Anschlüsse:
SL55AMG 230.474: siehe Motorleitungssatz: Aggregat Motor, 54/250/10 G55AMG 463.270: siehe Motorleitungssatz: elektrische Ausrüstung, 54/310/12 Das Steckergehäuse A2035453028 (772/351 - PA66GF13) fiondet sich bei der o.a. Zündspule und beim Nockenwellensensor Der Reparaturleitungssatz SLKL2.8 0,75 mm2, 0,75 mm2, A0005403805, Motor 113992, Gruppe 54, Untergruppe 250 findet sich auch in der Gruppe 82 Elektrische Anlage, Untergruppe 175 Beleuchtung vorn, Leuchteinheit 3 polig E1,E2 |
![]() |
![]() |
![]() |
| Dann die Torx-30-Schrauben A0019907212 - (8 Nm) abschrauben und die Zündspulen ablegen. | ![]() |
![]() |
![]() |
![]() |
![]() |
![]() |
7. Zündkerzen erneuern:
G55AMG: AP15.10-P-1580GA - R230, z.B. SL55AMG AP15.10-P-1580AB weitere Motortypen stehen in den Arbeitsanweisungen: z.B. beim R230: Motor 112.913 im TYP 211.061 /261 usw. siehe auch Aggregateübersicht 230: GF00.10-P-0025-02U |
|
Information von NGK-NTK: Tekniwiki
Die Firma NGK (Ignition Parts Zündkerzen) enthält einen zweiten Bereich NTK für Lambdasonden. Auf der Webseite findet man den Hinweis auf https://www.tekniwiki.com/de/, eine Wissensdatenbank von NGK und auf E-learning https://www.tekniwiki.com/nc/de/e-learning/#/ger/00/content.html Auf der Webseite von NGK-NTK findet sich vieles über Zündkerzen www.ngkntk.com/de, z.B. bei den Montagetipps: Bei Erwärmung dehnt sich das Aluminium des Zylinderkopfes mehr aus als die Zündkerze, so dass sich die Zündkerze festsetzt. Wechsel also nur bei abgekühltem Motor. Das steht im Gegensatz zu der Werkstatterfahrung, dass z.B. nur bei heißem Motor festsitzende Glühkerzen/Zündkerzen gelöst werden können ohne abzureißen. Fazit: nie Gewalt anwenden, sondern mehrmals kurze Drehwinkel verwenden, also etwas lösen, wieder festschrauben usw.. Wenn es nicht geht, Motor warm fahren, dann nochmal versuchen. Auch kappilar wirkende Lösungsmittel wie z.B. das Rostlöse/Gummipflegemittel können helfen, wenn man den Gewindeansatz einsprüht. Und die Zündkerzen nur im kalten Motorzustand mit einem Drehmomentschlüssel festziehen. Ich verwende ein etwas geringeres Drehmoment von etwa 20-25 Nm, da ein langes Gewinde vorliegt. Gewinde nie schmieren, auch nicht mit Heißtemperaturpaste. Was ist dann aber mit der Kompressionsmessung, da sollte der Motor 80 Grad warm sein: siehe Verdichtungsdruck prüfen: AR01.00-P-12000V, Interessant ist der Verdichtungsdruck bei neuem Motor: M113.993: 9-12 bar, M113.992: 11-13 bar. Mercedes-Empfehlung: 463 - G55AMG Service Assyst: AP00.20-P-0001GN R230 - SL55AMG Service Assyst: AP00.20-P-0001L Die Zündkerzen sollen nach 80.000 km oder alle 4 Jahre gewechselt werden (siehe Assyst AP00.20-P-0001GN v. 9.2.06). Es empfiehlt sich ein früherer Wechsel, da sonst die Zünkerzen nur noch schwer ausbaubar sind, die Gewinde setzen sich fest. Zündkerzengewinde instand setzen: Nicht möglich beim SL55AMG EVO 230.472 M113.995: Zylinderkopf tauschen, siehe AR01.30-P-5440BV Zündkerzen erneuern: (Drehmoment 28 Nm) AP15.10-P-1580AB Zum Wechsel müssen die Zündspulen abgebaut werden, siehe Abschnitt 6.. |
![]() |
![]() |
![]() |
![]() |
7.2 Zündkerze ILFR6A R230.474, G463.270:
Die Mercedes-Zündkerze A0041591303, ILFR6A-8, Hersteller-Nr. NKG-3588 hat ein langes M14x1-Gewinde (Anzugsdrehmoment 28 Nm). Folgende Kennzeichnungen sind noch eingeprägt: H730, JAPAN, NGKR. Sie ist entstört: Ri = 1,36 KOhm, SW 16,0 Gewindelänge: 26,5 mm, 0,8 mm Elektrodenabstand. siehe ngkntk.com/de/produktfinder/ Dort findet man auch die Codierung der Zündkerzenbezeichnung wie z.B. ILFRA6, als Pdf hier abgelegt. |
![]() |
![]() |
| I = Iridium, L = besonders langes Gewinde, F = M14-SW16, R = Entstörwiderstand ca. 1 KOhm, 6 = Wärmewert (mittel), A = ? |
|
Übersicht Zündkerzen: GF15.10-P-3101AM
Im Vergleich mit einer Zündkerze (Bosch, W8AC) beim VW-181-Kurierwagen (Kübel, 1. Bild) mit Unterbrecher-Zündung hat die Zündkerze für den M113.993 bzw. M113.992 eine sehr feine Elektrodenspitze. Die Zündkerze A0041591303 ist bei allen Kompressormodellen verbaut, z.B. beim G55AMG, Sl55AMG, CL 203, CLK 200 CGI oder E 200 NGT usw.. Auch beim SLR MCLAREN 5.4 (R199), BM 199.976 mit 626 PS ist diese Zündkerze eingebaut. |
![]() |
![]() |
|
Bei autoteile-guenstig.de (gibt es 2020 nicht mehr) bekam man im Januar 2013 die NGK-Zündkerze 3588, ILFR6A, A0041591303 für 8,49 Euro inkl. MwSt.. im März 2020 kostet die A0041591303 NGK ILFR6A bei Mercedes 16,42 Euro inkl. MwSt., bei https://www.kfzteile24.de 8,49 Euro inkl. MwSt., bei https://www.pkwteile.de 8,62 Euro inkl. 19% MwSt. |
![]() |
![]() |
![]() |
![]() |
|
Besser:
Die Zündung kann man mit einem Zangenamperemeter testen, das eine AC-Hochspannungsanzeige mit einer LED besitzt, z.B. gibt es das PeakTech 1635 von Fa. Reichelt. Das Zangenamperemeter enthält an der Zange eine Wechselspannungsanzeige (weiße Abdeckung), die rot aufleuchtet, wenn die Zange in die Nähe eines Zündkabels gehalten wird. Im Leerlauf sind sogar die einzelnen Zündimpulse sichtbar. |
![]() |
![]() |
![]() |
![]() |
![]() |
![]() |
![]() |
8.3 Diagnose: Zündung prüfen:
Die Regelmäßigkeit der Zündimpulse (Laufruhe: Klopfsensor) kann man mit der Diagnose testen. Die Zündkreise A oder B lassen sich abschalten. Siehe Diagnose: Menue Antrieb, Motorelektronik ME2.8, Ansteuerungen, Zündkreisabschaltung. siehe auch: AH07.00-P-3003WB Ebenso können die Zündwinkel geprüft werden. |
![]() |
![]() |
![]() |
![]() |
8.4 Arbeiten an der Zündanlage:
Hinweise zur Zündanlage: AH15.10-P-0002-01D : Folgende Punkte sind zu beachten, um Schäden am Steuergerät zu vermeiden: Zündung muss ausgeschaltet sein, wenn Stecker am Steuergerät ab- oder angesteckt werden. Die Prüfung des Zündfunkens (Pannenfall) darf nur mit einer Zündkerze am Zündkabel erfolgen, wobei ein guter Massekontakt der Zündkerze vorhanden sein muß. Besser ist die Prüfung mit dem Zangenamperemeter mit AC-Impulsanzeige (siehe oben). Klemme 1 (Pin 1 oder 3) der Zündspulen dürfen nicht dauernd gegen Masse kurzgeschlossen werden (als Diebstahlsicherung). An Pin 1 u. 2 (Klemme 1) und Pin 3 (Klemme 15, +12V) keine Prüflampe anschließen. Zur Kompressionsprüfung mit Startdrehzahl bei ausgeschalteter Zündung Kupplung 2 am Steuergerät abziehen. |
9. Generator /Lichtmaschine M113:
Bauteile-Beschreibung: GF15.40-P-2000A vom 30.11.06 Grundlagen Energieversorgung Bordnetz z.B. beim SL55AMG: Übersichten: GF15.40-P-0999A, GF15.40-P-9999A siehe Suchhilfe Elektrische Bauteile 463 und Alle Schaltplangruppen 230 . Im G55AMG ist eine sehr leistungsstarke Lichtmaschine (A0131548502) mit 14V, 180A verbaut. Grundlagen über Lichtmaschinen finden sich im Lichtmaschinentipp. Diese Lichtmaschine ist auch im Personenwagen mit dem Motor M113 verbaut, so im 211 (z.B. 211.276 E55AMG) oder im 219 (z.B. CLS55AMG), usw.. Die Regelung des Generators erfolgt durch die integrierte Elektronik (Multifunktionsregler MFR) und berücksichtigt Drehzahl und Batteriespannung. Im PKW gibt es Generatoren mit bitsynchroner Schnittstelle (BSS) oder mit einer Local Interconnect Network Schnittstelle (LIN), siehe Tipp LIN. Hier greift das Motormanagement ME in die Regelung ein. Vor- bzw. Erregerstromkreis: Drehstromgeneratoren beziehen den Erregerstrom direkt über Klemme B+ von der Batterie, sie sind selbsterregend. Der Erregerstrom baut das Magnetfeld in der Erregerwicklung des Läufers auf. Aus-, Einbau des Generators: AR15.40-P-5032GY MOTOR 113.993 im TYP 463.270 /271 Die Masseleitung der Batterie lösen. Zum Ausbau muss man nach Abnahme der Motorabdeckung und Ausbau des rechten Ansaugstutzens den Kompressor- (AR13.21-P-1202GX) und Motorkeilriemen (AR13.22-P-3902-02RVK) abnehmen und den Kühler ( AR20.20-P-3865GX) v. 2.10.2007 ausbauen. Grundnormierung Fenster G55AMG: AR72.29-P-4003-01G, Sitze AR91.29-P-3005-01G) nach dem Einbau durchführen. Die Normierung des Lenkwinkelsensors entfällt beim G55AMG 463.270 AR46.10-P-0300-01I TYP 203, 209 bis 31.5.04, 215, 220, 230 bis 14.1.04, 463.243 bis 30.5.04, 463.244 /245 ab 30.9.01 bis 30.5.04, 463.246 bis 30.5.04, 463.247 /248 ab 30.9.01 bis 30.5.04, 463.249 bis 30.5.04 |
10. Startschwierigkeiten:
Siehe neuer Bericht: Fehlersuche über Beanstandungen M113. Selten wird im Forum des AMG-Owners-Club über Startschwierigkeiten und ihre Ursache beim M113 berichtet: 1) sporadische Startschwierigkeit bei warmen Motor: springt erst beim zweiten Startversuch an, mit Vollgas startet der Motor gleich. Ursache: zu geringer Benzindruck bei warmer Benzinpumpe (Bericht von E55AMG777). 2) Ein defekter Kurbelwellensensor ergibt ebenfalls Startschwierigkeiten. |
|
zurück zum Anfang -
HTML-Validation by-Upload |