Teil 1: Elektrik am Auto: Kabel/Stecker/Sicherungen etc.

tipp22.htm: r230-w463
Letzte Änderung 23.02.26/16.01.26/04.12.25/18.03.24/26.10.23/04.06.23/08.03.2010 (C) Dr. Juliane Hehl
Impressum gem. DSGVO

zu Teil 2 - Webseite Juliane - Stichwörterverzeichnis Motor M113.99# - Stichwörterverzeichnis Geländewagen

Die Webseiteninhalte bieten nur die Hilfe zur Selbsthilfe und sind keine Anleitung zur Reparatur, nur eine Literatursammlung.
Emails werden nicht beantwortet, es gibt keine Zugangsdaten! Das gilt nicht für mir bekannte Clubmitglieder.
Arbeiten am Fahrzeug erfordern fachliche Kompetenz und die Ehrlichkeit, die eigenen Fähigkeiten richtig einzuschätzen
oder besser die Finger davon zu lassen bzw. in die Werkstatt zu gehen. Alle Angaben nach bestem Wissen, aber ohne
Gewähr und Haftung! Etliche Hinweise können unter Umständen bei fehlerhafter Ausführung zu erheblichen Folgeschäden führen.

Es wird daher ausdrücklich jede Haftung dafür abgelehnt. Der Ausführende trägt das alleinige und uneingeschränkte Risiko.
Übersicht Teil 1:

0. Grundlagen: Klemmenbezeichnungen
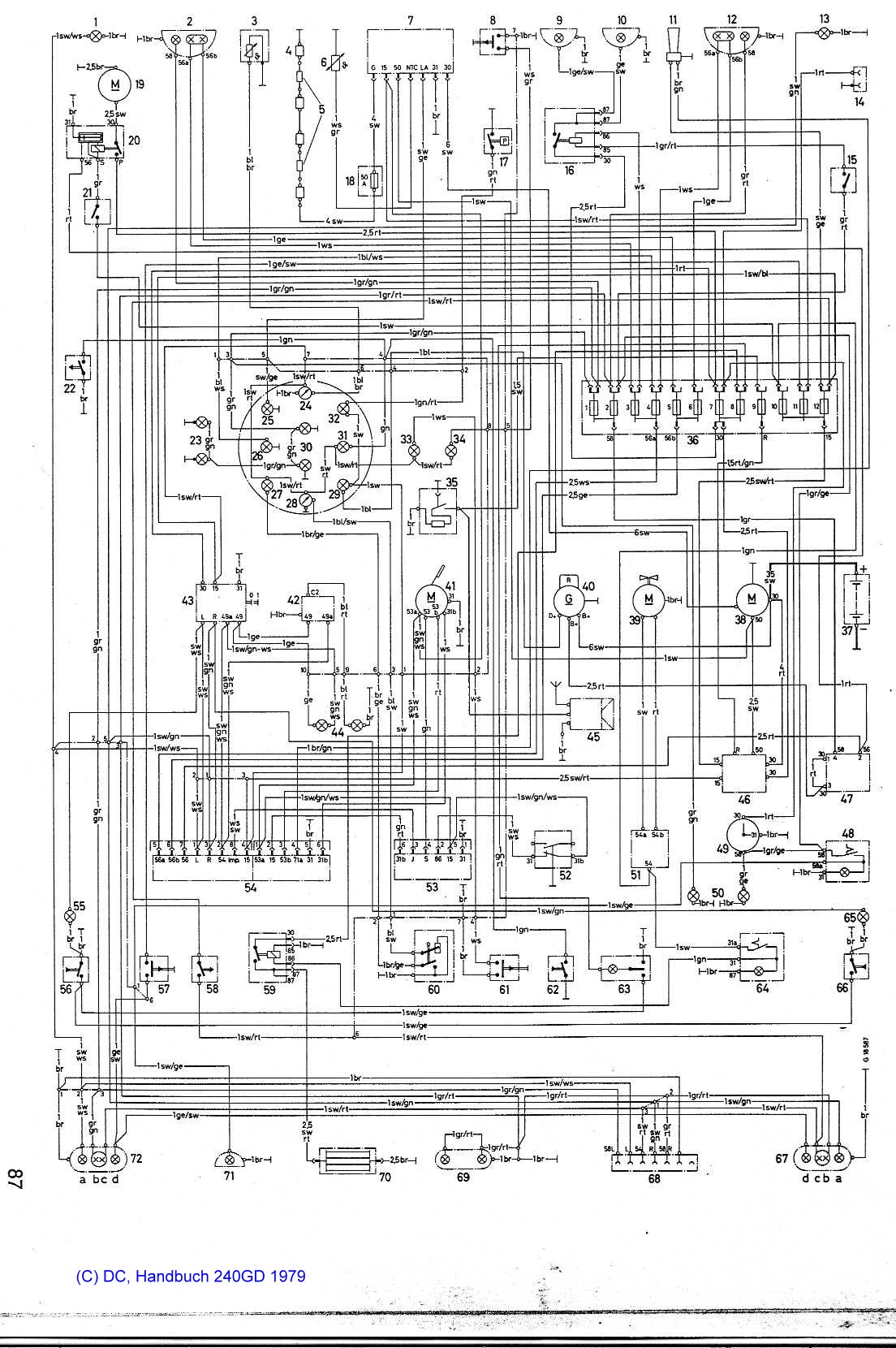
1. Schaltplan 240GD/300GD/Sicherungskasten:
2. Stecker:
2.1 Kabelschuhe lötbar:
3. Quetschzange:

4. bessere Stecker:
5.1 Prüfstecker:
5.2 Prüfkabel:
5.3 Messgerät:
5.4 Widerstandsdekade:

5.5 Farbcode Widerstände:
6.1 alte Sicherungen 460:
6.2 Sicherungen 463 (ab 2000): SAM-Module:
6.3 Hochstromsicherungen:
6.4 Vorsicherungsdose 463.270:

6.5.1 Kfz-Kabel Grundlagen:
6.5.2 Kfz-Kabel Querschnitte:
Quetschzangen Stecker Stecker Stecker Stecker Stecker
Aufpresszangen verschiedene Stecker verschiedene Stecker verschiedene Stecker Steckerinnenleben Steckerisolierung Stecker
Mehrfarbige Kabel und Stecker gibt es z.B. bei www.fahrzeugkabel.de und www.kabel-schmidt.de.

siehe auch Tipp 66: Steckervarianten bei Mercedes! , Tipp 7.1 Batterie

Ein völlig anderes Stecksystem ist das MagCodePowerSystem 12/24V, das magnetisch verriegelt
und keine Kurzschlüsse verursacht (Hinweis von Egge, viermalvier-forum). Amazon etc. liefert die Teile
von BC Battery Controller, z.B. 710-MAG-F Magnetische Buchse/Steckdose.
0. Klemmenbezeichnungen / Abkürzungen: OV00.01-P-1001-28D

die wichtigsten Klemmen-Bezeichnungen 461 / 463:

siehe auch die Übersicht WIS-Beiträge.
Kl.15 Geschaltetes Plus Kl.15R Geschaltetes Plus,
in Zündstellung 1, 2 & 3
Kl.15X Geschaltetes Plus,
in Zündstellung 2
Kl.30 Batteriespannung, Plus (Dauerplus) Kl.30z Klemme 30 1. Eingang Kl.31 Rückleitung an Batterie Minus oder Masse, direkt
Kl.31 FH li Masse Fensterheber links Kl.31 FH re Masse Fensterheber rechts Kl.31 FHS Masse Fensterheberschalter
Kl.31 FHS Masse Fensterheberschalter Kl.31 GB_H Masse Gurtbringer Hallgeber Kl.31b Rückleitung an Batterie Minus oder Masse
über Schalter oder Relais, geschaltetes Minus
Kl.49 Blinkgeber Eingang Kl.49a Blinkgeber Ausgang Kl.49L Blinkleuchte, links
Kl.49R Blinkleuchte, rechts Kl.50 Startersteuerung (direkt) Kl.53 Wischermotor, Eingang (+)
Kl.53b Wischermotor Nebenschlußwicklung Kl.54 Bremslicht Kl.55 Nebelscheinwerfer
Kl.56 Scheinwerferlicht Kl.56a Fernlicht und Fernlichtkontolle Kl.56b Abblendlicht
Kl.58 Begrenzungs-, Schluß-, Kennzeichen- und Instrumentenleuchten Kl.58d Regelbare Instrumenten-/Schalterbeleuchtung Kl.58L Standlicht links
Kl.58R Standlicht rechts Kl.61 Generator Ladekontolle Kl.85 Wicklungsende Minus oder Masse
Kl.86 Wicklungsanfang Kl.87 Eingang Kl.87 M1.2 Versorgung Klemme 87
Kl.87a erster Ausgang (Öffnerseite) Kl.87b zweiter Ausgang Kl.87c dritter Ausgang
Kl.87D1 Klemme 87 gesichert Kl.87D2 Klemme 87 gesichert Kl.87ME1 87 Motorelektronik 1
Kl.87ME2 87 Motorelektronik 2 . .
1. Schaltplan 240GD/300GD und Sicherungskasten: top

Das waren noch Zeiten, als alles direkt verdrahtet und auch noch einigermaßen übersichtlich war.
Schaltplan 240GD Legende 240GD Sicherungen Sicherungsplan
Schaltplan 240GD Legende zum Plan Sicherungskasten Kennzeichnung: Sicherungen
2. Stecker: top

Im G wurden die verschiedensten Stecker verwendet, gute und weniger gute. So auch die bei fast allen Autos verwendeten
sog. Flachstecker, die es für verschiedene Kabelquerschnitte in unterschiedlichen Breiten gibt.

Inzwischen werden spezielle Steckersysteme von AMP/Tycos verwendet. Einzelheiten und Bilder sind im Tipp66: Stecker und Buchsen Mercedes R230/W463 abgelegt.
2.1 Kabelschuhe lötbar: top

Für die Batteriekabel benötigt man lötbare Kabelschuhe. Die gibt es in vielen Größen mit bis zu M10-Loch
z.B. bei https://www.kabel-schmidt.de (Suchwort "Kabelschuh").
Kabelschuhe
3. Quetschzangen:
a) einfach Ausführung:
top

Die aufzuquetschenden Stecker besitzen je nach Kabelquerschnitt eine rote, blaue oder gelbe Kunststoffumhüllung.
Sie ergeben allerdings nur einen schlechten und nicht lang anhaltenden Kontakt, da meistens der Aufpressdruck
zu gering ist. Verwendet wird dabei eine einfache Zange, mit der man sehr kräftig drücken muss.
Quetschzange
b) bessere Ausführung: top

Mit einer sehr stabilen Aufpresszange werden die besseren Verbindungen hergestellt, da die Steckerlaschen
umgebogen werden. Der Aufpressdruck ist einstellbar und wesentlich höher. Allerdings sind diese Zangen auch
viel teurer.

Trotzdem zeigen zeigen alle diese Quetschverbindungen nach einigen Jahren einen höheren Übergangswiderstand.
Zusätzlich sollte man also die Stecker noch verlöten.
Beispiele:
Eigenbau: Diagnoseanschlussplatte der alten Standheizung WO2352 (1979) beim 240GD unter dem Innenkotflügel
Quetschzange Stecker WO2352
4. Stecker alter Art: top

Schon in den 80er Jahren verwendete Mercedes Stecker mit versilberte Kontaktröhrchen (z.B. 250/8), in die die Kabel gelötet
werden. Solche Stecker findet man heute noch z.B. am Zündstartschalter, am Vorglührelais oder beim Stecker der Heizkreispumpe
G55AMG, siehe Tipp Kühlmittelvorwärmgerät oder beim Zusatzlüfter vom 461.
Stecker Stecker Stecker
Teile im EPC-net: Gruppe 50 Kühler:

Buchse: Steckhülsengehäuse: A0115450128, Rundsteckhülse: A0035452626

Stecker: Gehäuse: A0095454028, Gehäuseteil: A0095454128, Steckerstift: A0015453826

siehe auch den Tipp: Stecker
5.1 Prüfstecker: AR54.10-P-1030-04P

Für die Messung, wieviel Strom ein Bauteil zieht, kann ein Prüfstecker anstelle der Flachsicherung verwendet werden.
An die zwei Buchsen wird ein Amperemeter (Vielfachmessinstrument) angeschlossen.

Es gibt bei DC zwei Größen: W140589122100 klein und W140589132100 groß.

Aber Vorsicht: Bei modernen Autos wie z.B. dem 463 ab Bj. 2000 verursacht eine Stromkreisunterbrechung eine
Fehlermeldung im Fehlerspeicher (siehe Diagnose), solange die Steuergerätefunktionen nicht beendet sind
(bis zu 20 Min. Wartezeit nach Abzug des Zündschlüssels). Klemmt man die Batterie ab, führt dies zum Verlust
von gespeicherten Daten (z.B. Uhr, Lenkwinkelwerte, Sitzmemory, Fensternormierung).
Prüfstecker Prüfstecker Prüfstecker
Ruhestrommessung: Der Ruhestrom kann als Spannungsabfall auch an den beiden Kontaktstellen auf der
Flachsicherung gemessen werden, siehe Ruhestrommessung
5.2 Prüfkabel:

Ein Prüfkabel mit den dazugehörigen Anschlüssen ermöglicht die Strommessung der Heizkreis-Kühlmittelumwälzpumpe M13
beim 463, siehe Tipp Kühlmittelvorwärmgerät.
Heizkreis-Pumpe Heizkreis-Pumpe
Ein Bremsbelagfühler dient auch als Messadapter. Steckt man die beiden Bananestecker zusammen,
muss die Verschleissanzeige ansprechen.
Adapter Adapter
An Steckern mit 4 mm Stiften kann mit diesem Universal-Adapter (mit 4 mm Hülsen)
problemlos gemessen werden, z.B. am Sperrenschalter.
Prüfstecker G55: einteilige Sperre
5.3 Messgeräte

Ein kleines preiswertes Digitalvoltmeter (z.B. von ELV: DT 1035G) reicht zunächst mal aus, man kann es im Auto lassen.
Sehr praktisch ist auch ein kleines Zangenamperemeter, damit kann man z.B. auch die Zündimpulse überprüfen.
Digitalvoltmeter
5.4 Widerstandsdekade: top

Mit einer Widerstandsdekade kann man z.B. einen Ladeluft-Temperaturfühler simulieren, d.h. das Steuergerät bekommt
einen der Temperatur entsprechenden Widerstandswert am Signaleingang. Ein Problem sind die verschiedenen Steckerbuchsen
an den Sensoren. Widerstandsdekaden sind sehr teuer, so die Mercedes-Ohmdekade W124589096300, siehe WS15.00-N-0009C.
In der Präzisionswiderstandsdekade WD100 der Fa. ELV sind 28 Widerstände mit 1% Genauigkeit
hintereinander geschaltet, Kippschalter überbrücken diese und so ergeben sich viele Einzelwerte von
1 Ohm bis 11,111111 MOhm. Es gibt einen Komplettbausatz.

Mit der Dekade kann man z.B. auch den Widerstandswert des Tankgebers oder der Außentemperaturanzeige simulieren.
Belastbar ist die Dekade mit 42 V und 0,6W (bei 12 V max. ca. 50 mA), kurzzeitig 1 Watt (bei 12 V max. ca. 83 mA).
G55AMGK G55AMGK G55AMGK G55AMGK
Verbesserung des Bausatzes WD100:

Prinzipbedingt hat die Widerstandsdekade einen geringen Eigenwiderstand (Leitungswiderstand, Schalterwiderstand),
der sich im unteren Ohm-Bereich mit einem um 0,4 Ohm höheren Wert bemerkbar macht.

Überbrückt man die Leiterbahnen auf der Platine mit 1 mm dicken versilberten Schaltdraht, kann dieser Eigenwiderstand
auf fast Null gebracht werden. Eine zusätzliche Anschlussbuchse nach jeder Schalterreihe verringert auch den Eigenwiderstand.

orginale Bau-und Bedienungsanleitung vom 07.2009, Version 1.1.
neue Bau-und Bedienungsanleitung vom 03.2017. Version 1.3
G55AMG G55AMG G55AMG G55AMG
Bei Fa. Reichelt gibt es die fast baugleiche Widerstandsdekade Peaktech 3280, 1 % Genauigkeit, mit 2 Watt belastbar.
5.5 Farbcode Widerstände: top

hier zum Download in größerer Auflösung ( 231 Kb).
Widerstandscode
6.1 Sicherungen 460: top

Sicherungen enthalten einen dünnen Schmelzdraht, der bei Überschreitung einer bestimmten Stromstärke durchbrennt
und den Stromkreis unterbricht. Die maximal zulässige Stromstärke hängt vom Verbraucher und auch vom Leiterquerschnitt ab.

Eine zusätzliche Sicherung muß immer vor einer Querschnittverringerung eines Kabels (dünneres Kabel zweigt ab) eingebaut werden.
Es gibt verschiedene Sicherungsformen. Bei den alten "Torpedo"-Sicherungen ist die Stromstärke
mittels Farbe kodiert: weiß = 8A, rot = 16A, blau = 25A.
Sicherungen
Die neueren Sicherungen haben Messerkontakte.
Farbtabelle: 3A - lila, 5A - beige, 7,5A - braun, 10A - rot, 15A - blau, 20A - gelb, 25A - weiß, 30A - grün, 40A - bernstein, 50A - rot
Sicherungen Sicherung
Für hohe Stromstärken gibt es die Streifensicherungen, z.B. für 80A . Sie fand man bei Vorglühanlagen für Dieselmotoren.
Fürs Radio wurden oft Feinsicherungen aus Glas verwendet. Inzwischen sind im Auto fast nur noch Sicherungen mit Messerkontakten verbaut.
Sicherung
6.2 Sicherungen 463 (ab 2000): top

Beim G55AMG sind über 40 solcher Messerkontaktsicherungen verbaut.
Sicherung Sicherung Zieher
Sicherungsautomaten: Anstelle der Flachsicherungen kann man auch Sicherungsautomaten, wie sie im Rennsport üblich sind, einsetzen. 280ge
6.3 Hochstromsicherungen: top

Die Hauptstromkreise bei modernen Fahrzeugen haben als Vorsicherungen Hochstromsicherungen. Beim Trophy-280GE hatte
ich die Hochstromsicherungen in verschiedenen Stärken bis 500 A verbaut. Nur die Hart-PVC-Platte (zu weich) habe ich später durch eine Acrylglasplatte ersetzt.
280ge
6.4 Vorsicherungsdose 463, z.B. G55AMG ab 2000: Batterie-Hauptsicherungen: top
EPC-Net: Gruppe 54, 545 Hauptleitungssatz Rahmen,Boden usw..
Die Batterie befindet sich bei den modernen Geländewagen wie dem G270CDI oder G55AMG ab 2000 im Boden vor der Rückbank.
Der Pluspol ist beim G55AMG (463.270) über ein Kabel (35 qmm) mit einer Vorsicherungsdose F32 (A4635408006) verbunden.

Über mehrere Hauptsicherungen ist das Bordnetz angekoppelt und z.B. auch der große Elektrolüfter M 4/7. Die Sicherungen
können zwar einzeln ersetzt werden, sie sind aber nicht im EPC-Net aufgeführt, es müsste die Vorsicherungsdose mit Leitungssatz
komplett erneuert werden, siehe den Tipp SAM! . Die Hochstromsicherungen gibt es aber bei Mercedes einzeln.

Schaltplan: PE54.15-P-2504-99GB
Sicherung Sicherung
6.5.1 Kabeldaten: Grundlagen: top

Rote und schwarze Kfz-Kabel (Querschnitt 2,5 und 6 (z.B. Bestellbezeichnung: FLK 6,0 RT-10, 10 m-Bund) kaufte ich z.B.
bei Fa. Reichelt. Es gibt die Kabeltypen FLY und FLRY-A bzw. FLRY-B nach DIN 72551 (FLRY Isolation reduziert).
Eine Tabelle dazu findet sich als PDF-Datei bei Fa. Reichelt beim Kabel zum Download (FLKIMP.PDF) oder hier.

Mehrfarbig codierte Kabel gibt es z.B. bei www.kabel-schmidt.de.
6.5.2 Kabeldaten: Querschnittberechnung: top

Eine Tabelle der Stromstärken und Leiterquerschnitte von Auto-Dietz als pdf-Datei ist hier.

maximale Strombelastbarkeit für Kupferkabel nach DIN VDE 0298, Teil 2, Verlegung in Luft, 2-adrig für Wechselstrom:

Querschnitt in qmm: 1,5 - 2,5 - 4 -- 6 - 10 - 16 -- 25 - 35 - 50 - 70 - 95
max. Strom in Amp.: 20 - 27 - 37- 48 -66 - 89 - 118 -145 -176 -224 -271
Hinweise zu Steckverbindungen: AH00.19-P-100006A
zurück zum Anfang - HTML-Validation by-Upload

Valid HTML 4.01!